Deprecated: Function eregi() is deprecated in /home/h101150-2/siemens71.ru/docs/new/cat.php on line 184
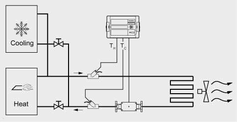
The SITRANS FUE950 is able to handle 3 kinds of applications, means energy calculation in:
- District heating applications
- Chilled water applications
- Combined cooling/heating applications
Energy metering in heating, hot water applications (code "A" and "B")
Energy metering in cooling, chilled water applications(code "C" and "D")
Energy metering in combined cooling/heating applications (code "E" and "F")



