Mode of operation
The orifice plate creates a differential pressure. The pressure is transferred through the vertical columns of medium in the differential pressure lines to the measuring cell of the differential pressure transmitter. The transmitter converts the pressure signal with square-root characteristic into a flow-proportional current or into a digital signal, e. g. PROFIBUS.
Types of primary differential pressure devices
Shapes of the orifice disk aperture
The primary differential pressure devices are calculated and manufactured according to DIN EN ISO 5167. According to this, the application range of the standard orifice disk aperture form A is limited by the Reynolds number. The limits depend on the diameter ratio = d/D. (D: internal diameter of pipe).
In the case of Reynolds numbers from approx. 500 to 2.5 x 105 and DN 40 to DN 150, the orifice disk aperture form B (quarter circle) can be used for slightly less accurate measurements. The profile radius r depends on the diameter ratio and results from the calculation of the diameter of the orifice disk aperture d.
The cylindrical orifice disk aperture form D is used for measurements in both flow directions.
Tapping sockets
Type of threaded connections and welding connections dependent on the measured medium and the nominal pressure of the shut-off fitting
The type of socket connections depends on the measured medium and the nominal pressure of the shut-off fittings; the socket length depends on the nominal diameter (pipe diameter) of the primary differential pressure device and the operating temperature (because of the thermal insulation!). The socket position depends on the measured medium and the flow direction.
- With threaded connection G DIN ISO 228/1, connection dimensions to DIN 19207 Form V, for liquids and gases up to PN 160, for steam up to PN 100
- With threaded connection -14 NPT male, for version acc. to ASME up to class 600
- With O 12 mm pipe connection for pipe union with ferrule
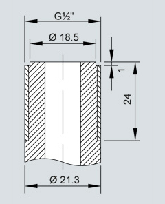
- With O 21.3 mm welding connection for liquids and gases up to PN 400, and for steam up to PN 100, or O 24 mm for liquids and gases over PN 400, and for steam over PN 100
Other connections on request.
Length of tapping sockets
The length of the tapping sockets are specified in DIN 19205, Part 2.
If using with high temperatures and stronger insulations, please quote the insulation thickness and the required length of the tapping sockets when placing an order.
Threaded connections of tapping sockets for liquids and gases up to PN 160, for steam up to PN 100, dimensions in mm
Threaded connection -14 NPT male, dimensions in mm
With O 12 mm pipe for pipe union with ferrule, dimensions in mm
Welding connections of tapping sockets, dimensions in mm
Position of the tapping sockets
When measuring liquids and gases, the position of the tapping sockets must comply with the tables according to DIN 19205; when measuring steam, the compensation vessels must be at the same height.
- Horizontal steam lines
Horizontal steam line in front of a wall with primary differential pressure device and valve combination; with annular chamber orifice plate or single part orifice plate with special length of 65 mm
In the case of horizontal steam lines, straight sockets are arranged opposite each other or, if the pipe is close to a wall, with bent sockets on one side.
- Vertical steam lines
Vertical steam line with primary differential pressure device and valve combination
In the case of vertical and inclined steam lines, the lower socket is bent upwards so that the connection flanges and compensation vessels are also at the same height.
Extract from DIN 19205, Part 1, August 1988
|
No. |
Pipe position and flow direction |
Position of the tapping sockets |
Application |
|||
|---|---|---|---|---|---|---|
|
1 |
Horizontal |
> |
180° |
With compensation vessels |
||
|
21)2) |
0° |
|||||
|
31) 2) |
||||||
|
4 |
Vertical |
Rising |
^ |
90° |
||
|
5 |
Setpoint direction falling |
v |
||||
|
6 |
Rising |
^ |
180° |
|||
|
7 |
Setpoint direction falling |
v |
||||
|
10 |
Horizontal |
> |
<) |
Without compensation vessels |
||
|
11 |
Horizontal, vertical |
> v ^ |
180° |
|||
|
13 |
Vertical |
v ^ |
90° |
|||
1) Not possible with orifice plates with single tappings (overall length 40 mm). Special length of 65 mm is possible.
) Only possible with orifice plates with annular chambers (overall length 65 mm) with bent tapping sockets.
) Angle is dependent on the nominal pressure and nominal diameter in accordance with DIN 19 205.
Principle of the differential pressure method
Principle of the differential pressure method: Pressure curve at a pipe restriction
A primary differential pressure device is installed at the measuring point to measure the flow. This restricts the pipe and has two connections for sampling the differential pressure. If the properties of the primary device and the medium are known such that the equation below can be evaluated, the differential pressure is a measure of the absolute flow. No reference measurements are required; the flow measurement can be checked independent of the device manufacturer.
The differential pressure method is based on the law of continuity and Bernoulli’s energy equation.
According to the law of continuity, the flow of a moving medium in a pipeline is the same at all points. If the cross-section is reduced at one point, the flow velocity must increase at this point. According to Bernoulli’s energy equation, the energy content of a flowing medium is constant and is the total of the static (pressure) and kinetic (movement) energies. An increase in the flow rate therefore results in a reduction in the static pressure (see the figure "Principle of the differential pressure method: Pressure curve at a pipe restriction"). This pressure difference p, the so-called differential pressure, is a measure of the flow.
In general the following equation applies:q = cv p
Where:
- q: flow (qm, qv) mass flow or volume flow
- p: Differential pressure
- c: Factor depending on the dimensions of the pipeline, the type of constriction, the density of the flowing medium etc.
According to this equation, the differential pressure created by the constriction is proportionally equal to the square of the flow (see the figure "Relationship between flow q and differential pressure p").


