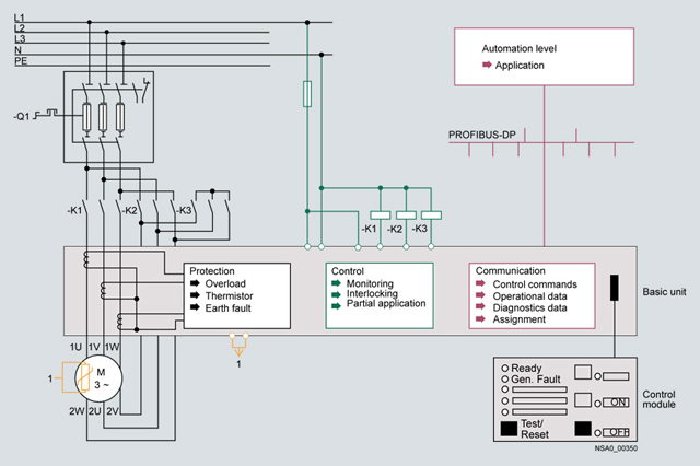
Базовый модуль, модуль расширения и модуль управления SIMOCODE-DP
Микропроцессорный аппарат защиты и управления двигателями SIMOCODE-DP 3UF5 используется в основном в низковольтных распределительных устройствах для силовых шкафов управления двигателями в непрерывных процессах, и представляет собой интеллектуальное связующее звено между фидером двигателя (двигатели с постоянной частотой вращения) и автоматизированной системой управления процессом.
Эта техника позволяет повысить коэффициент готовности оборудования и одновременно сберечь средства на ввод в эксплуатацию, пуск и эксплуатационное обслуживание производственной линии.
SIMOCODE-DP решает самые различные задачи:
- Многофункциональная электронная защита двигателей и мониторинг линии;
- Всеобъемлющая диагностика двигателся и производственной линии;
- Интегрированные программы управления (вместо сложных аппаратных решений);
- Открытая коммуникация по шинам PROFIBUS-DP, стандарт для полевых шин.
Простейшая конфигурация фидера двигателя с аппаратом SIMOCODE-DP
Многофункциональная электронная защитадвигателя и мониторинг оборудования
SIMOCODE-DP объединяет в себе многочисленные механизмы защиты, такие как
- Токозависимая защита двигателя (Класс 5-30),
- Термисторная защита двигателя,
- Блокирующая защита,
- Контроль замыкания на землю,
- Контроль регулируемых предельных значений тока
чем обеспечивает бесперебойную работу.
Всеобъемлющая диагностика двигателей и производственной линии
- Текущие значения тока,
- Коммутационное состояние двигателя,
- Учет часов эксплуатации двигателя,
- Число циклов коммутации двигателя,
- Количество расцепленийвследствие перегрузки,
- Детализированные ранние предупреждения или сообщения о сбоях.
Это дает следующие преимущества:
- Возможность предотвращения поломок
- Электрик/оператор производственного процесса имеют исчерпывающую информацию о рабочем состоянии фидера
- Сбои диагностируются и устраняются в кратчайшие сроки
Интегрированная программа (вместо сложных аппаратных решений)
- Прямой пуск,
- Реверсивный пуск,
- Пуск по схеме "звезда-треугольник",
- Двухскоростные двигатели,
- Двухскоростные двигатели Даландера,
- Управление задвижками,
- Магнитный клапан,
- Плавный пуск.
Эти функции уже содержат в себе на программном уровне все блокировки и связи, необходимые для обеспечения работы нужных устройств управления двигателями и через релейные выходы SIMOCODE-DP позволяют непосредственно включать и отключать контакторы двигателей.
Дополнительно эти готовые функции управления могут быть за счёт свободно параметрируемых элементов (как, например, таймеры, счётчики, логические связи И, ИЛИ, НЕ-ИЛИ ...) адаптированы к заданным пользователем специфическим особенностям фидера двигателя.
Тем самым сводятся к минимуму существенные расходы на монтаж управляющих цепей и достигается высокая степень стандартизации фидера двигателя в отношении аппаратного построения и принципиальных схем.
Открытая коммуникация по стандартным полевым шинам PROFIBUS DP
SIMOCODE-DP поддерживает следующие коммуникационные функции:
- DP-V0 (цикличный обмен данными, GSD-конфигурация, диагностика)
- DP-V1 (ацикличный обмен данными, интеграция в инженерные функции и оборудование через EDD, сигналы тревоги).
С помощью SIMOCODE-DP возможны следующие скорости передачи данных (кБит/сек):
- 9.6
- 45.45
- 93.75
- 187.5
- 500
- 1500


