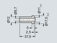
7MF9007-4CA/-4DA threaded flange, dimensions in mm
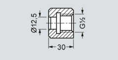
Nipple G (7MF9007-4KA/-4LA), dimensions in mm
Union nut G (7MF9007-4MA/-4N), dimensions in mm
7MF9007-6BA/-6CA gasket, dimensions in mm


7MF9007-4CA/-4DA threaded flange, dimensions in mm
Nipple G (7MF9007-4KA/-4LA), dimensions in mm
Union nut G (7MF9007-4MA/-4N), dimensions in mm
7MF9007-6BA/-6CA gasket, dimensions in mm
|
© ООО "СК ЭНЕРГО" 2007-2022 (4872) 700-366 |
|