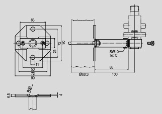
Mounting bracket (7MF9011-8AB) for shut-off valves 7MF9011-4DA and 7MF9011-4EA for wall, rack or pipe mounting, dimensions in mm
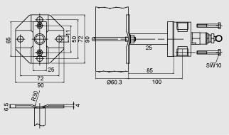
Mounting bracket (7MF9011-8AC) for shut-off valves 7MF9011-4FA and 7MF9011-4GA for wall, rack or pipe mounting, dimensions in mm



