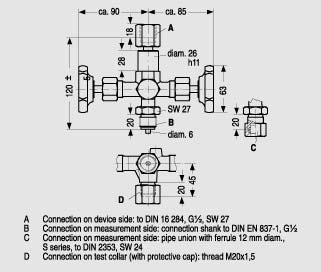
Shut-off valve, form B, dimension drawing, dimensions in mm
Double shut-off valve, form B, dimensional drawing, dimensions in mm


Shut-off valve, form B, dimension drawing, dimensions in mm
Double shut-off valve, form B, dimensional drawing, dimensions in mm
|
© ООО "СК ЭНЕРГО" 2007-2022 (4872) 700-366 |
|