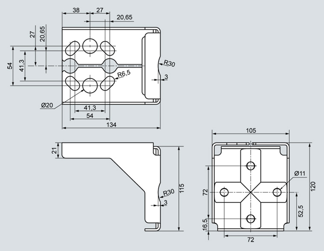
Mounting bracket for SITRANS P DS III and SITRANS P280 guage and absolute pressure-transmitters,
mounting bracket material: Sheet-steel Mat. No. 1.0330, chrome-plated, or stainless steel Mat. No. 1.4301 (304)
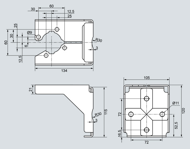
Mounting bracket for SITRANS P DS III differential pressure transmitter,
mounting bracket material: Sheet-steel Mat. No. 1.0330, chrome-plated, or stainless steel Mat. No. 1.4301 (304)


