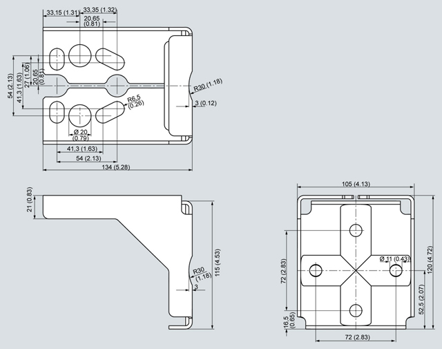
Mounting bracket for SITRANS P pressure transmitter, P500 series, measurements in mm
Mounting bracket material: Sheet-steel Mat. No. 1.0330, chrome-plated, or stainless steel Mat. No. 1.4301 (304)


Mounting bracket for SITRANS P pressure transmitter, P500 series, measurements in mm
Mounting bracket material: Sheet-steel Mat. No. 1.0330, chrome-plated, or stainless steel Mat. No. 1.4301 (304)
|
© ООО "СК ЭНЕРГО" 2007-2022 (4872) 700-366 |
|