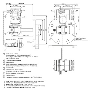
SITRANS P DS III pressure transmitters with HART for level, including mounting flange, dimensions in mm (inch)
Connection to EN 1092-1
|
Nominal diameter |
Nominal pressure |
L |
D |
h |
d2 |
d4 |
d5 |
dM |
j |
k |
n |
L |
|---|---|---|---|---|---|---|---|---|---|---|---|---|
|
mm (inch) |
mm (inch) |
mm (inch) |
mm (inch) |
mm (inch) |
mm (inch) |
mm (inch) |
mm (inch) |
mm (inch) |
mm (inch) |
mm (inch) |
||
|
DN 80 |
PN 40 |
24 |
200 |
90 |
18 |
138 |
76 |
721) |
2 |
160 |
8 |
0, 50, 100, 150 or 200 |
|
DN 100 |
PN 16 |
20 |
220 |
115 |
18 |
158 |
94 |
89 |
2 |
180 |
8 |
|
|
PN 40 |
24 |
235 |
115 |
22 |
162 |
94 |
89 |
2 |
190 |
8 |
Connection to ASME B16.5
|
Nominal diameter |
Nominal pressure |
L |
D |
d2 |
d4 |
d5 |
dM |
j |
k |
n |
L |
|---|---|---|---|---|---|---|---|---|---|---|---|
|
lb/sq.in. |
inch |
inch |
inch |
inch |
inch |
inch |
inch |
inch |
inch |
||
|
(mm) |
(mm) |
(mm) |
(mm) |
(mm) |
(mm) |
(mm) |
(mm) |
(mm) |
|||
|
3 inch |
150 |
0.94 |
7.5 |
0.75 |
5 |
3 |
2.811) |
0.06 |
6 |
4 |
0, 2, 3.94, 5.94 or 7.87 |
|
300 |
1.12 |
8.25 |
0.87 |
5 |
3 |
2.811) |
0.06 |
6.69 |
8 |
||
|
4 inch |
150 |
0.94 |
9 |
0.75 |
6.19 |
3.69 |
3.5 |
0.06 |
7.5 |
8 |
|
|
300 |
1.25 |
10 |
0.87 |
6.19 |
3.69 |
3.5 |
0.06 |
7.88 |
8 |
Explanations of tables:
d: Internal diameter of gasket to DIN 2690
dM: Effective diaphragm diameter
1 )89 mm = 3 inch with tube length L=0.



