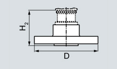
SITRANS P300, with oval flange, dimensions in mm (inch)
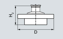
SITRANS P300, process connection M20 x 1.5, with mounted mounting bracket, dimensions in mm (inch)
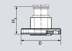
SITRANS P300, flush-mounted, dimensions in mm (inch)
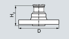
The diagram shows a SITRANS P300 with an example of a flange. In this drawing the height is subdivided into H1 and H2.
H1 = Height of the SITRANS P300 up to a defined cross-section
H2 = Height of the flange up to this defined cross-section
Only the height H2 is indicated in the dimensions of the flanges.
Flanges as per EN and ASME
Flange to EN
|
EN 1092-1 |
||||
|---|---|---|---|---|
|
DN |
PN |
D |
H2 |
|
|
25 |
40 |
115 mm (4.5") |
Approx. 52 mm (2") |
|
|
25 |
100 |
140 mm (5.5") |
||
|
40 |
40 |
150 mm (5.9") |
||
|
40 |
100 |
170 mm (6.7") |
||
|
50 |
16 |
165 mm (6.5") |
||
|
50 |
40 |
165 mm (6.5") |
||
|
80 |
16 |
200 mm (7.9") |
||
|
80 |
40 |
200 mm (7.9") |
||
Flanges to ASME
|
ASME B16.5 |
||||
|---|---|---|---|---|
|
DN |
Class |
D |
H2 |
|
|
1“ |
150 |
110 mm (4.3") |
Approx. 52 mm (2") |
|
|
1“ |
300 |
125 mm (4.9") |
||
|
1 “ |
150 |
130 mm (5.1") |
||
|
1 “ |
300 |
155 mm (6.1") |
||
|
2“ |
150 |
150 mm (5.9") |
||
|
2“ |
300 |
165 mm (6.5") |
||
|
3“ |
150 |
190 mm (7.5") |
||
|
3“ |
300 |
210 mm (8.1") |
||
|
4“ |
150 |
230 mm (9.1") |
||
|
4“ |
300 |
255 mm (10.0") |
||
NuG and pharmaceutical connections
Connections to DIN
|
DIN 11851 (milk pipe union) |
||||
|---|---|---|---|---|
|
DN |
PN |
D |
H2 |
|
|
50 |
25 |
92 mm (3.6") |
Approx. 52 mm (2") |
|
|
80 |
25 |
127 mm (5.0") |
||
|
TriClamp to DIN 32676 |
||||
|---|---|---|---|---|
|
DN |
PN |
D |
H2 |
|
|
50 |
16 |
64 mm (2.5") |
Approx. 52 mm (2") |
|
|
65 |
16 |
91 mm (3.6") |
||
Other connections
|
Varivent connection |
||||
|---|---|---|---|---|
|
DN |
PN |
D |
H2 |
|
|
40 ... 125 |
40 |
84 mm (3.3") |
Approx. 52 mm (2") |
|
|
Biocontrol connection |
||||
|---|---|---|---|---|
|
DN |
PN |
D |
H2 |
|
|
50 |
16 |
90 mm (3.5") |
Approx. 52 mm (2") |
|
|
65 |
16 |
120 mm (4.7") |
||
|
Sanitary process connection to DRD |
||||
|---|---|---|---|---|
|
DN |
PN |
D |
H2 |
|
|
50 |
40 |
105 mm (4.1”) |
Approx. 52 mm (2") |
|
|
Sanitary process screw connection to NEUMO Bio-Connect |
||||
|---|---|---|---|---|
|
DN |
PN |
D |
H2 |
|
|
50 |
16 |
82 mm (3.2") |
Approx. 52 mm (2") |
|
|
65 |
16 |
105 mm (4.1”) |
||
|
80 |
16 |
115 mm (4.5”) |
||
|
100 |
16 |
145 mm (5.7") |
||
|
2” |
16 |
82 mm (3.2") |
||
|
2 ” |
16 |
105 mm (4.1”) |
||
|
3” |
16 |
105 mm (4.1”) |
||
|
4” |
16 |
145 mm (5.7") |
||
|
Sanitary process connection to NEUMO Bio-Connect flange connection |
||||
|---|---|---|---|---|
|
DN |
PN |
D |
H2 |
|
|
50 |
16 |
110 mm (4.3") |
Approx. 52 mm (2") |
|
|
65 |
16 |
140 mm (5.5”) |
||
|
80 |
16 |
150 mm (5.9”) |
||
|
100 |
16 |
175 mm (6.9") |
||
|
2” |
16 |
100 mm (3.9") |
||
|
2 ” |
16 |
110 mm (4.3”) |
||
|
3” |
16 |
140 mm (5.5”) |
||
|
4” |
16 |
175 mm (6.9") |
||
|
Sanitary process connection to NEUMO Bio-Connect clamp connection |
||||
|---|---|---|---|---|
|
DN |
PN |
D |
H2 |
|
|
50 |
16 |
77.4 mm (3.0") |
Approx. 52 mm (2") |
|
|
65 |
10 |
90.9 mm (3.6") |
||
|
80 |
10 |
106 mm (4.2") |
||
|
100 |
10 |
119 mm (4.7") |
||
|
2” |
16 |
64 mm (2.5") |
||
|
2 ” |
16 |
77.4 mm (3.0”) |
||
|
3” |
10 |
90.9 mm (3.6”) |
||
|
4” |
10 |
119 mm (4.7") |
||
|
Sanitary process connection to NEUMO Bio-Connect S flange connection |
||||
|---|---|---|---|---|
|
DN |
PN |
D |
H2 |
|
|
50 |
16 |
125 mm (4.9") |
Approx. 52 mm (2") |
|
|
65 |
10 |
145 mm (5.7") |
||
|
80 |
10 |
155 mm (6.1") |
||
|
100 |
10 |
180 mm (7.1") |
||
|
2” |
16 |
125 mm (4.9") |
||
|
2 ” |
10 |
135 mm (5.3”) |
||
|
3” |
10 |
145 mm (5.7") |
||
|
4” |
10 |
180 mm (7.1") |
||
|
Threaded connection G ", G1" and G2" acc. to DIN 3852 |
||||
|---|---|---|---|---|
|
DN |
PN |
D |
H2 |
|
|
“ |
63 |
37 mm (1.5") |
approx. 45 mm (1.8") |
|
|
1“ |
63 |
48 mm (1.9") |
approx. 47 mm (1.9") |
|
|
2“ |
63 |
78 mm (3.1") |
Approx. 52 mm (2") |
|
|
Tank connection TG 52/50 and TG52/150 |
||||
|---|---|---|---|---|
|
DN |
PN |
D |
H2 |
|
|
25 |
40 |
63 mm (2.5") |
approx. 63 mm (2.5") |
|
|
25 |
40 |
63 mm (2.5") |
approx. 170 mm (6.7") |
|
|
SMS socket with union nut |
||||
|---|---|---|---|---|
|
DN |
PN |
D |
H2 |
|
|
2“ |
25 |
84 mm (3.3") |
Approx. 52 mm (2.1") |
|
|
2 “ |
25 |
100 mm (3.9") |
||
|
3“ |
25 |
114 mm (4.5") |
||
|
SMS threaded socket |
||||
|---|---|---|---|---|
|
DN |
PN |
D |
H2 |
|
|
2“ |
25 |
70 x 1/6 mm |
Approx. 52 mm (2.1") |
|
|
2 “ |
25 |
85 x 1/6 mm |
||
|
3“ |
25 |
98 x 1/6 mm |
||
|
IDF socket with union nut |
||||
|---|---|---|---|---|
|
DN |
PN |
D |
H2 |
|
|
2“ |
25 |
77 mm (3") |
Approx. 52 mm (2.1") |
|
|
2 “ |
25 |
91 mm (3.6") |
||
|
3“ |
25 |
106 mm (4.2") |
||
|
IDF threaded socket |
||||
|---|---|---|---|---|
|
DN |
PN |
D |
H2 |
|
|
2“ |
25 |
64 mm (2.5") |
Approx. 52 mm (2.1") |
|
|
2 “ |
25 |
77.5 mm (3.1") |
||
|
3“ |
25 |
91 mm (3.6") |
||
|
Aseptic threaded socket to DIN 11864-1 Form A |
||||
|---|---|---|---|---|
|
DN |
PN |
D |
H2 |
|
|
50 |
25 |
78 x 1/6" |
Approx. 52 mm (2.1") |
|
|
65 |
25 |
95 x 1/6" |
||
|
80 |
25 |
110 x " |
||
|
100 |
25 |
130 x " |
||
|
Aseptic flange with notch to DIN 11864-2 Form A |
||||
|---|---|---|---|---|
|
DN |
PN |
D |
H2 |
|
|
50 |
16 |
94 |
Approx. 52 mm (2.1") |
|
|
65 |
16 |
113 |
||
|
80 |
16 |
133 |
||
|
100 |
16 |
159 |
||
|
Aseptic flange with groove to DIN 11864-2 Form A |
||||
|---|---|---|---|---|
|
DN |
PN |
D |
H2 |
|
|
50 |
16 |
94 |
Approx. 52 mm (2.1") |
|
|
65 |
16 |
113 |
||
|
80 |
16 |
133 |
||
|
100 |
159 |
|||
|
Aseptic clamp with groove to DIN 11864-3 Form A |
||||
|---|---|---|---|---|
|
DN |
PN |
D |
H2 |
|
|
50 |
25 |
77,5 |
Approx. 52 mm (2.1") |
|
|
65 |
25 |
91 |
||
|
80 |
16 |
106 |
||
|
100 |
16 |
130 |
||



