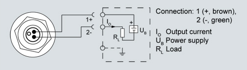
Connection with current output 4 ... 20 mA and plug to EN 175301-803-A
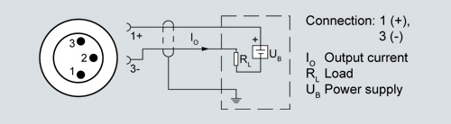
Connection with current output 4 ... 20 mA and round connector
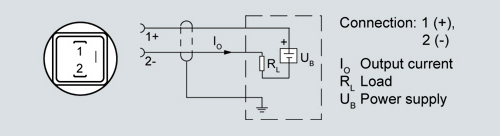
Connection with current output 4 ... 20 mA and permanently fixed cable
Connection with voltage output 0 ... 5 V DC (0 ... 10 V DC) and plug to EN 175301-803-A
Connection with voltage output 0 ... 5 V DC (0 ... 10 V DC) and round connector
Connection with voltage output 0 ... 5 V DC (0 ... 10 V DC) and permanently fixed cable



