Корпус из пластика и нерж.стали (сверху), алюминиевый корпус (в центре), корпус из пластика и металла (снизу), размеры в мм (дюймах)
Взрывонепроницаемый корпус, размеры в мм (дюймах)
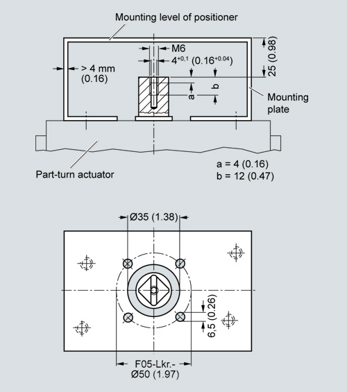
Монтаж на поворотные приводы, монтажная консоль (объем поставки изготовителя привода), выдержка из VDI/VDE 3845, размеры в мм (дюймах)



