Преобразователь сигналов IP67/NEMA 4Х, компактная версия из полиамида
Преобразователь сигналов, встроенный в монтаж
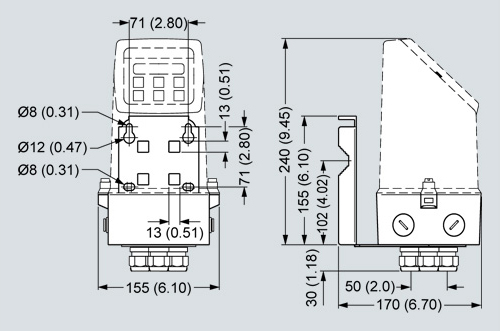
Преобразователь сигналов, монтаж на стену
IP67/NEMA 4X компактная версия
|
Диаметр измерительного датчика |
L3 |
H5 |
H6 |
H5 + H6 |
|---|---|---|---|---|
|
3 (1/8) |
75 (2.95) |
82 (3.23) |
246 (9.69) |
328 (12.91) |
|
6 ( ) |
62 (2.44) |
72 (2.83) |
256 (10.08) |
328 (12.91) |
|
15 ( ) |
75 (2.95) |
87 (3.43) |
267 (10.51) |
353 (13.90) |
|
25 (1) |
75 (2.95) |
173 (6.81) |
271 (10.67) |
443 (17.44) |
|
40 (1 ) |
75 (2.95) |
227 (8.94) |
271 (10.67) |
497 (19.57) |



