|
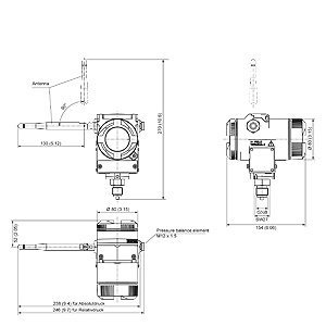
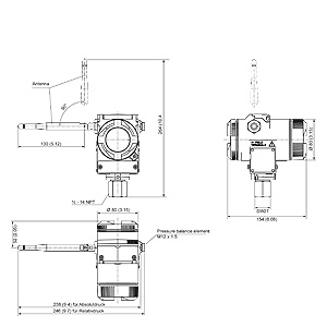
SITRANS P280 WirelessHART pressure transmitter, process connection G½", dimensions in mm (inch) SITRANS P280 WirelessHART pressure transmitter, process connection ½ - 14 NPT, dimensions in mm (inch) |
| Каталог 2018 | Каталог 2017 | Каталог 2016 | Каталог 2015 | Каталог 2014 | Каталог 2013 | Каталог 2012 | Сертификат | Контакты | Карта сайта | Поиск |


