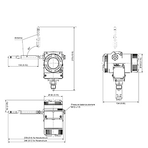
SITRANS P280 WirelessHART pressure transmitter, process connection G½", dimensions in mm (inch)
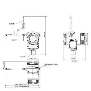
SITRANS P280 WirelessHART pressure transmitter, process connection ½ - 14 NPT, dimensions in mm (inch)


SITRANS P280 WirelessHART pressure transmitter, process connection G½", dimensions in mm (inch)
SITRANS P280 WirelessHART pressure transmitter, process connection ½ - 14 NPT, dimensions in mm (inch)
|
© ООО "СК ЭНЕРГО" 2007-2022 (4872) 700-366 skenergo@mail.ru |
|