|
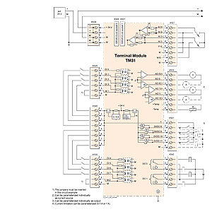
Клеммный модуль TM31 устанавливает связь с блоком управления CU320 по DRIVE-CLiQ.
Обзор подключений для клеммного модуля TM31 |
| Каталог 2018 | Каталог 2017 | Каталог 2016 | Каталог 2015 | Каталог 2014 | Каталог 2013 | Каталог 2012 | Сертификат | Контакты | Карта сайта | Поиск |


