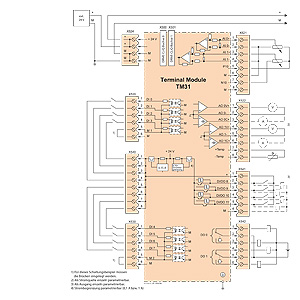
Клеммный модуль TM31 устанавливает связь с блоком управления CU320 по DRIVE-CLiQ.
Обзор подключений для клеммного модуля TM31


Клеммный модуль TM31 устанавливает связь с блоком управления CU320 по DRIVE-CLiQ.
Обзор подключений для клеммного модуля TM31
|
© ООО "СК ЭНЕРГО" 2007-2022 (4872) 700-366 skenergo@mail.ru |
|