Siemens
СРЕДСТВА ПРОМЫШЛЕННОЙ АВТОМАТИЗАЦИИ
официальный партнер Сименс
Каталог СА01 2014
архивный
(4872) 700-366
skenergo@mail.ru
Системная информация и руководство по выбору
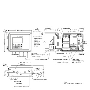
FUS1010, FUE1010, FUH1010 и FUG1010 корпус IP65 (NEMA 4X)

 

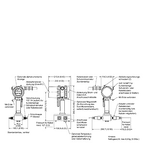
FUS1010, FUH1010 и FUG1010 Компактный взрывонепронецаемый копрус IP65 (NEMA 7)

 

FUS1010, FUH1010 Взрывонепроницаемый корпус для настенного монтажа IP66 (NEMA 7)

 

FUG1010 Взрывонепроницаемый корпус для настенного монтажа IP66 (NEMA 7)

 

FUP1010 Устойчивый к атмосферным воздействиям корпус IP67/63 (NEMA 6/3R)

 

FUP1010 Стандартный портативный корпус IP40 (NEMA 12)

 

FUE1010 Портативный ударопрочный корпус IP40 (NEMA 12)

 

FUE1010 Портативный корпус IP40 (NEMA 1)

 

FUS1020 Корпус для настенного монтажа IP65 (NEMA 4)

 


































Каталог оборудования 2014
Каталог продуктов Siemens Industry Приводная техника Техника автоматизации Системы автоматизации Системы визуализации SIMATIC HMI Системы идентификации Промышленные коммуникации SIMATIC NET Промышленные аппараты управления SIRIUS Промышленные информационные технологии Управление на базе РС Системы управления процессом Датчики Контрольно-измерительные приборы Измерительные преобразователи для давления Датчики давления Приборы измерения температуры SITRANS T Расходомеры Введение SITRANS F M электромагнитные расходомеры SITRANS F C - кориолисов массовый расходомер SITRANS F US - ультразвуковой расходомер Врезные ультразвуковые расходомеры Накладные ультразвуковые расходомеры Системная информация и руководство по выбору Системная информация и руководство по выбору Толщинометр SITRANS FUS1010 (Cтандартный) SITRANS FST020 (Базовый) SITRANS FUP1010 (Портативный) Портативный ультразвуковой расходомер SITRANS FUP1010 SITRANS FUE1010 (Энергия) Двухканальный поверочный измерительный комплекс SITRANS FUE1010 SITRANS FUH1010 (Нефть) FUS-LDS Leak Detection System SITRANS FUG1010 (Газ) SITRANS FUG1010 Gas Check Metering Kit SITRANS FUT1010 (Liquid and gas) Аксессуары SITRANS F X (Vortex) SITRANS F O delta p primary differential pressure devices SITRANS F R rotary-piston meters SITRANS F RA110 electric flow registers Pulsers with inductive pick-up Уровнемеры Расходомеры и счетчики Позиционеры Устройство для защиты и пуска двигателей SIMOCODE-DP Сигнализаторы сбоев в промышленном процессе Дополнительные компоненты Коммуникации и программное обеспечение Аппаратные ПИД-регуляторы SIPART Встраиваемые самописцы и индикаторы Анализаторы процесса Технологии взвешивания Блоки питания Продукты для специальных требований Автоматизация и безопасность зданий Низковольтная коммутационная техника Технология безопасности Системные решения и продукты для отраслей Сервис ... и все, что Вам еще необходимо

  © ООО "СК ЭНЕРГО" 2007-2022
  (4872) 700-366  skenergo@mail.ru
Яндекс.Метрика