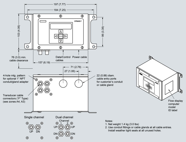
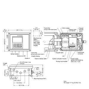
FUS1010, FUE1010, FUH1010 и FUG1010 корпус IP65 (NEMA 4X)
FUS1010, FUH1010 и FUG1010 Компактный взрывонепронецаемый копрус IP65 (NEMA 7)
FUS1010, FUH1010 Взрывонепроницаемый корпус для настенного монтажа IP66 (NEMA 7)
FUG1010 Взрывонепроницаемый корпус для настенного монтажа IP66 (NEMA 7)
FUP1010 Устойчивый к атмосферным воздействиям корпус IP67/63 (NEMA 6/3R)
FUP1010 Стандартный портативный корпус IP40 (NEMA 12)
FUE1010 Портативный ударопрочный корпус IP40 (NEMA 12)
FUE1010 Портативный корпус IP40 (NEMA 1)
FUS1020 Корпус для настенного монтажа IP65 (NEMA 4)


