|
Номинальные диаметр и проток Руководства по выбору измерительного датчикаМин. диапазон измерения: 0 … 0.25 м/сек Mакс. диапазон измерения: 0 … 10 м/сек Измерительный датчик обычно выбирается таким образом, чтобы ном. скорость потока лежала в диапазоне измерения 1 … 5 м/сек. v = (4 x Qmax ) / (π x DiІ x 3600 ) v в м/сек, Qmax в m3/час, Di в м
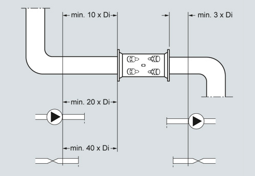
Впуск и выпускРекомендуемые прямые участки Для достижения наилучшей производительности впуски и выпуски должны быть прямыми. Необходимо соблюдать определенное расстояние между расходомером и изгибами, насосами и вентилями. Кроме этого расходомер должен располагать по центру относительно трубного фланца и уплотнений. Вентили всегда должны устанавливаться за расходомером. Это не относится только к установке измерительного датчика в вертикальную трубу. В этом случае для установки нулевой точки необходимо предусмотреть вентиль под измерительным датчиком. При этом выбрать такой вентиль, который в полностью открытом состоянии не вызывает изменения потока.
При наличии более одного колена просьба проконсультироваться на Siemens. Монтаж в полностью заполненную трубу
Не монтировать в высшей точке трубопроводной системы или в вертикальной трубе со свободным выпуском Монтаж в отвод в случае частично заполненной трубы Монтаж электроакустического преобразователя в горизпнтальном положении Для реализации макс. точности необходима совместная калибровка измерительного датчика и измерительного преобразователя. SONO 3000 состоит из электронного прибора и отдельной SENSORPROM. Данные калибровки расходомера сохранены в SENSORPROM и во внутренней EPROM. SENSORPROM содержит всю необходимую для быстрого запуска информацию. Системеная точность относится к следующим системам: SONO 3300/3000 SONO 3300/3000CT SONO 3100/3000.
Дополнительные воздействия при отклонениях от эталонных условий:
|
|||||||||||||||||||||||||||||||||||||||||||||||||||||||||||||||||
| Каталог 2018 | Каталог 2017 | Каталог 2016 | Каталог 2015 | Каталог 2014 | Каталог 2013 | Каталог 2012 | Сертификат | Контакты | Карта сайта | Поиск |


