Номинальные диаметр и проток
Руководства по выбору измерительного датчика
Мин. диапазон измерения: 0 … 0.25 м/сек
Mакс. диапазон измерения: 0 … 10 м/сек
Измерительный датчик обычно выбирается таким образом, чтобы ном. скорость потока лежала в диапазоне измерения 1 … 5 м/сек.
v = (4 x Qmax ) / (π x DiІ x 3600 )
v в м/сек, Qmax в m3/час, Di в м
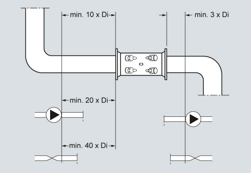
Впуск и выпуск
Рекомендуемые прямые участки
Для достижения наилучшей производительности впуски и выпуски должны быть прямыми. Необходимо соблюдать определенное расстояние между расходомером и изгибами, насосами и вентилями. Кроме этого расходомер должен располагать по центру относительно трубного фланца и уплотнений.
Вентили всегда должны устанавливаться за расходомером. Это не относится только к установке измерительного датчика в вертикальную трубу. В этом случае для установки нулевой точки необходимо предусмотреть вентиль под измерительным датчиком. При этом выбрать такой вентиль, который в полностью открытом состоянии не вызывает изменения потока.
|
Рекомендуемый впуск/выпуск |
|||
|---|---|---|---|
|
|
SONO 3300/3100 |
SONO 3330/3000 CT |
SONOKIT 1-тракт |
|
Колено 90° |
10 x Di |
10 x Di |
20 x Di |
|
Полностью открытый вертиль |
10 x Di |
10 x Di |
20 x Di |
|
Частично открытый вентиль |
40 x Di |
40 x Di |
40 x Di |
|
2 x 90° в одной плоскости |
15 x Di |
10 x Di*) |
25 x Di |
|
2 x 90° в двух плоскостях |
20 x Di |
20 x Di |
40 x Di |
|
Выпуск |
3 x Di |
3 x Di |
3 x Di |
|
*) более короткий впуск из-за более высоких требований к допустимой точности в PTB класс C и согласно допускам по OIML R 75 класс 4 |
|||
При наличии более одного колена просьба проконсультироваться на Siemens.
Монтаж в полностью заполненную трубу
- монтаж в высшей точке системы трубопроводов
- монтаж в вертикальных трубах со свободным выпуском
Не монтировать в высшей точке трубопроводной системы или в вертикальной трубе со свободным выпуском
Монтаж в отвод в случае частично заполненной трубы
Монтаж электроакустического преобразователя в горизпнтальном положении
Для реализации макс. точности необходима совместная калибровка измерительного датчика и измерительного преобразователя.
SONO 3000 состоит из электронного прибора и отдельной SENSORPROM. Данные калибровки расходомера сохранены в SENSORPROM и во внутренней EPROM. SENSORPROM содержит всю необходимую для быстрого запуска информацию.
Системеная точность относится к следующим системам:
SONO 3300/3000 SONO 3300/3000CT SONO 3100/3000.
|
Эталонные условия |
|
|---|---|
|
|
|
|
Жидкость |
Вода |
|
Температура жидкости |
22 ± 5 °C |
|
Окружающая температура |
22 ± 5 °C |
|
Напряжение питания |
AC 115/230 V +10 … -15% |
|
|
DC 24 V +25 … -15%, |
|
|
AC 24 V ±15% |
|
Длина прямого выпуска |
20 x Di |
|
Усианавливаемый диапазон измерения |
0 … 1 м/сек to 0 … 10 м/сек |
|
Повторяемость |
лучше чем 0.25% в диапазоне 0.5 … 10 м/сек |
|
Линейность |
|
|
лучше чем 1% |
|
лучше чем 0.4% |
Дополнительные воздействия при отклонениях от эталонных условий:
- выход тока: как частотный выход (± 0,1 % от фактического расхода +0,05 % от конечного значения)
- влияние внешней температуры: частотный/импульсный выход: < 0,005 % SPAN/K
- выход тока: < ±0,0075 % SPAN/K
- влияние питания: 0,005 % от измеренного значения при 1 % изменения


