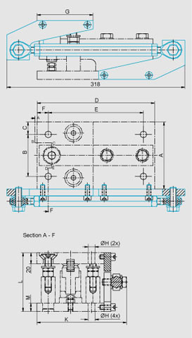
SIWAREX R Соединение для комбинированного монтажного блока для весоизмерительных ячеек серии SB, размеры
|
| Каталог 2018 | Каталог 2017 | Каталог 2016 | Каталог 2015 | Каталог 2014 | Каталог 2013 | Каталог 2012 | Сертификат | Контакты | Карта сайта | Поиск |


