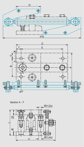
|
Номинальная нагрузка |
A |
B |
C |
D |
E |
F |
G |
ØH |
K |
L |
M |
|---|---|---|---|---|---|---|---|---|---|---|---|
|
0,5 т, 1 т, 2 т |
120 |
75 |
22,5 |
210 |
170 |
20 |
100 |
12 |
160 |
105 |
15 |
|
5 т |
150 |
90 |
30 |
250 |
205 |
25 |
120 |
14 |
190 |
140 |
20 |
SIWAREX R Соединение для комбинированного монтажного блока для весоизмерительных ячеек серии SB, размеры


