Siemens
СРЕДСТВА ПРОМЫШЛЕННОЙ АВТОМАТИЗАЦИИ
официальный партнер Сименс
Каталог СА01 2014
архивный
(4872) 700-366
skenergo@mail.ru
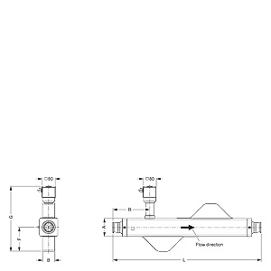
MASSFLO MASS MC1 Di 50 до Di 150

Раздельная конструкция, фланцевая, DIN/ANSI

Диаметр измерительного прибора

Диаметр подключения к процессу

L

G 1)

F

B

A

Вес кг

 

дюйм

DN

дюймов

DN

DIN 2635
PN 40

DIN 2637
PN 100

ANSI
CL 150

ANSI
CL 300

ANSI
CL 600

H

2

 

50

 

40

1045

1078

1075

1090

1108

403

148

80

110

32

2

50

940

979

970

980

1001

403

148

80

110

34

65

1100

1148

1135

1145

1166

403

148

80

110

38

I

 

 

65

2

50

1220

1259

1250

1260

1281

429

164

97

130

43

65

1100

1148

1218

1145

1249

429

164

97

130

47

3

80

1220

1260

1240

1260

1282

429

164

97

130

50

J

 

3

 

80

65

1330

1256

1365

1375

1396

456

186

108

140

56

3

80

1220

1260

1240

1260

1282

456

186

108

140

58

4

100

1480

N/A

1500

1520

N/A

456

186

108

140

69

K

 

4

 

100

3

80

1640

N/A

1660

1680

N/A

500

215

131

170

84

4

100

1480

N/A

1500

1520

N/A

500

215

131

170

91

L

6

150

6

150

2040

N/A

2070

2090

N/A

613

285

190

250

248


1) для EEx доп. 54 мм

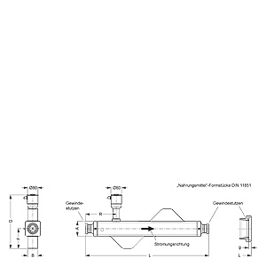
Раздельная конструкция, арматура для пищевой промышленности, DIN 11851

Диаметр измерительного прибора

Диаметр подключения к процессу

L

g

G 1)

F

B

A

R

Вес кг

дюйм

DN

 

H

 

(50)

40

Rd 65 x 1/6

1025

7

403

148

80

110

233

28

2

50

Rd 78 x 1/6

915

7

403

148

80

110

177

30

65

Rd 95 x 1/6

1066

8

403

148

80

110

254

34

I

 

(65)

2

50

Rd 78 x 1/6

1203

7

429

164

97

130

291

40

65

Rd 95 x 1/6

1078

8

429

164

97

130

227

44

3

80

Rd 95 x 1/6

1184

8

429

164

97

130

281

47

J

 

(80)

65

Rd 95 x 1/6

1316

8

456

186

108

140

319

54

3

80

Rd 95 x 1/6

1195

8

456

186

108

140

258

56

4

100

Rd 103 x ¼

1440

10

456

186

108

140

381

60

K

 

(100)

3

80

Rd 95 x 1/6

1632

8

500

215

131

170

401

82

4

100

Rd 103 x ¼

1460

10

500

215

131

170

314

86


1) для EEx доп. 54 мм

Раздельная конструкция, Tri-clamp ISO 2852

Диаметр измерительного прибора

Диаметр пордключения к процессу

L

±3

G 1)

F

B

A

R

Вес кг

 

 

дюймов

DN

H

 

(50)

40

1010

403

148

80

110

275

27

2

50

910

403

148

80

110

225

26

65

1070

403

148

80

110

305

27

I

 

(65)

2

50

1190

429

164

97

130

335

36

65

1070

429

164

97

130

275

37

3

80

1176

429

164

97

130

328

38

J

 

(80)

65

1340

456

186

108

140

378

45

3

80

1176

456

186

108

140

296

44

4

100

1445

456

186

108

140

430

46

K

 

(100)

3

80

1596

500

215

131

170

440

71

4

100

1445

500

215

131

170

365

69


1) для EEx доп. 54 мм

 


































Каталог оборудования 2014
Каталог продуктов Siemens Industry Приводная техника Техника автоматизации Системы автоматизации Системы визуализации SIMATIC HMI Системы идентификации Промышленные коммуникации SIMATIC NET Промышленные аппараты управления SIRIUS Промышленные информационные технологии Управление на базе РС Системы управления процессом Датчики Контрольно-измерительные приборы Измерительные преобразователи для давления Датчики давления Приборы измерения температуры SITRANS T Расходомеры Введение SITRANS F M электромагнитные расходомеры SITRANS F C - кориолисов массовый расходомер Общая информация о MASSFLO кориолисовых массовых расходомерах SITRANS FC430 Преобразователь сигнала Преобразователи расхода SITRANS FC200 MASSFLO MASS 2100 DI 1.5 SITRANS FC300 MASSFLO MASS 2100 Di 3 до Di 40 MASSFLO MASS MC1 Di 50 до Di 150 SITRANS F US - ультразвуковой расходомер SITRANS F X (Vortex) SITRANS F O delta p primary differential pressure devices SITRANS F R rotary-piston meters SITRANS F RA110 electric flow registers Pulsers with inductive pick-up Уровнемеры Расходомеры и счетчики Позиционеры Устройство для защиты и пуска двигателей SIMOCODE-DP Сигнализаторы сбоев в промышленном процессе Дополнительные компоненты Коммуникации и программное обеспечение Аппаратные ПИД-регуляторы SIPART Встраиваемые самописцы и индикаторы Анализаторы процесса Технологии взвешивания Блоки питания Продукты для специальных требований Автоматизация и безопасность зданий Низковольтная коммутационная техника Технология безопасности Системные решения и продукты для отраслей Сервис ... и все, что Вам еще необходимо

  © ООО "СК ЭНЕРГО" 2007-2022
  (4872) 700-366  skenergo@mail.ru
Яндекс.Метрика