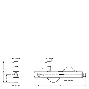
Раздельная конструкция, фланцевая, DIN/ANSI
|
Диаметр измерительного прибора |
Диаметр подключения к процессу |
L |
G 1) |
F |
B |
A |
Вес кг |
|||||||
|---|---|---|---|---|---|---|---|---|---|---|---|---|---|---|
|
|
дюйм |
DN |
дюймов |
DN |
DIN 2635 |
DIN 2637 |
ANSI |
ANSI |
ANSI |
|||||
|
H |
1½ 2 |
50 |
|
40 |
1045 |
1078 |
1075 |
1090 |
1108 |
403 |
148 |
80 |
110 |
32 |
|
2 |
50 |
940 |
979 |
970 |
980 |
1001 |
403 |
148 |
80 |
110 |
34 |
|||
|
2½ |
65 |
1100 |
1148 |
1135 |
1145 |
1166 |
403 |
148 |
80 |
110 |
38 |
|||
|
I |
2½ |
65 |
2 |
50 |
1220 |
1259 |
1250 |
1260 |
1281 |
429 |
164 |
97 |
130 |
43 |
|
2½ |
65 |
1100 |
1148 |
1218 |
1145 |
1249 |
429 |
164 |
97 |
130 |
47 |
|||
|
3 |
80 |
1220 |
1260 |
1240 |
1260 |
1282 |
429 |
164 |
97 |
130 |
50 |
|||
|
J |
3 |
80 |
2½ |
65 |
1330 |
1256 |
1365 |
1375 |
1396 |
456 |
186 |
108 |
140 |
56 |
|
3 |
80 |
1220 |
1260 |
1240 |
1260 |
1282 |
456 |
186 |
108 |
140 |
58 |
|||
|
4 |
100 |
1480 |
N/A |
1500 |
1520 |
N/A |
456 |
186 |
108 |
140 |
69 |
|||
|
K |
4 |
100 |
3 |
80 |
1640 |
N/A |
1660 |
1680 |
N/A |
500 |
215 |
131 |
170 |
84 |
|
4 |
100 |
1480 |
N/A |
1500 |
1520 |
N/A |
500 |
215 |
131 |
170 |
91 |
|||
|
L |
6 |
150 |
6 |
150 |
2040 |
N/A |
2070 |
2090 |
N/A |
613 |
285 |
190 |
250 |
248 |
1) для EEx доп. 54 мм
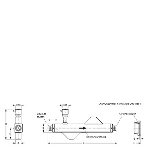
Раздельная конструкция, арматура для пищевой промышленности, DIN 11851
|
Диаметр измерительного прибора |
Диаметр подключения к процессу |
L |
g |
G 1) |
F |
B |
A |
R |
Вес кг |
|||
|---|---|---|---|---|---|---|---|---|---|---|---|---|
|
дюйм |
DN |
|
||||||||||
|
H |
(50) |
1½ |
40 |
Rd 65 x 1/6 |
1025 |
7 |
403 |
148 |
80 |
110 |
233 |
28 |
|
2 |
50 |
Rd 78 x 1/6 |
915 |
7 |
403 |
148 |
80 |
110 |
177 |
30 |
||
|
2½ |
65 |
Rd 95 x 1/6 |
1066 |
8 |
403 |
148 |
80 |
110 |
254 |
34 |
||
|
I |
(65) |
2 |
50 |
Rd 78 x 1/6 |
1203 |
7 |
429 |
164 |
97 |
130 |
291 |
40 |
|
2½ |
65 |
Rd 95 x 1/6 |
1078 |
8 |
429 |
164 |
97 |
130 |
227 |
44 |
||
|
3 |
80 |
Rd 95 x 1/6 |
1184 |
8 |
429 |
164 |
97 |
130 |
281 |
47 |
||
|
J |
(80) |
2½ |
65 |
Rd 95 x 1/6 |
1316 |
8 |
456 |
186 |
108 |
140 |
319 |
54 |
|
3 |
80 |
Rd 95 x 1/6 |
1195 |
8 |
456 |
186 |
108 |
140 |
258 |
56 |
||
|
4 |
100 |
Rd 103 x ¼ |
1440 |
10 |
456 |
186 |
108 |
140 |
381 |
60 |
||
|
K |
(100) |
3 |
80 |
Rd 95 x 1/6 |
1632 |
8 |
500 |
215 |
131 |
170 |
401 |
82 |
|
4 |
100 |
Rd 103 x ¼ |
1460 |
10 |
500 |
215 |
131 |
170 |
314 |
86 |
||
1) для EEx доп. 54 мм
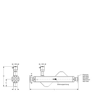
Раздельная конструкция, Tri-clamp ISO 2852
|
Диаметр измерительного прибора |
Диаметр пордключения к процессу |
L ±3 |
G 1) |
F |
B |
A |
R |
Вес кг |
||
|---|---|---|---|---|---|---|---|---|---|---|
|
|
|
дюймов |
DN |
|||||||
|
H |
(50) |
1½ |
40 |
1010 |
403 |
148 |
80 |
110 |
275 |
27 |
|
2 |
50 |
910 |
403 |
148 |
80 |
110 |
225 |
26 |
||
|
2½ |
65 |
1070 |
403 |
148 |
80 |
110 |
305 |
27 |
||
|
I |
(65) |
2 |
50 |
1190 |
429 |
164 |
97 |
130 |
335 |
36 |
|
2½ |
65 |
1070 |
429 |
164 |
97 |
130 |
275 |
37 |
||
|
3 |
80 |
1176 |
429 |
164 |
97 |
130 |
328 |
38 |
||
|
J |
(80) |
2½ |
65 |
1340 |
456 |
186 |
108 |
140 |
378 |
45 |
|
3 |
80 |
1176 |
456 |
186 |
108 |
140 |
296 |
44 |
||
|
4 |
100 |
1445 |
456 |
186 |
108 |
140 |
430 |
46 |
||
|
K |
(100) |
3 |
80 |
1596 |
500 |
215 |
131 |
170 |
440 |
71 |
|
4 |
100 |
1445 |
500 |
215 |
131 |
170 |
365 |
69 |
||
1) для EEx доп. 54 мм



