Siemens
СРЕДСТВА ПРОМЫШЛЕННОЙ АВТОМАТИЗАЦИИ
официальный партнер Сименс
Каталог СА01 2014
архивный
(4872) 700-366
skenergo@mail.ru
MAGFLO MAG 1100

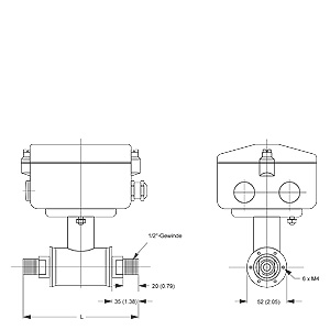
Измерительный датчик MAG 1100, компактный/раздельный

Диаметр

DN

A1)

[мм]

B1)

[мм]

A1

[мм]

B1

[мм]

D

[мм]

Di
(Al2O3)
[мм]

Di
PFA
[мм]

DP

[мм]

DG

[мм]

Вес2)

[кг]

6

156

181

309

334

48.3

6

 

17.3

34

2.2

10

156

181

309

334

48.3

10

10

13.6

34

2.2

15

156

181

309

334

48.3

15

16

17.3

40

2.2

25

164

196

317

349

63.4

25

26

28.5

56

2.7

40

176

218

329

371

84.0

40

38

43.4

75

3.4

50

184

235

337

388

101.6

50

50

54.5

90

4.2

65

194

254

347

407

120.0

65

66

68.0

112

5.5

80

200

266

353

419

133.0

80

81

82.5

124

7.0

100

213

292

366

445

159.0

100

100

107.1

145

10.0


 

Диаметр

[дюймов]

A1)

[дюймов]

B1)

[дюймов]

A1

[дюймов]

B1

[дюймов]

D

[дюймов]

Di
(Al2O3)
[дюймов]

Di
PFA
[дюймов]

DP

[дюймов]

DG

[дюймов]

Вес 2)

[Ib]

¼

6.14

7.13

12.16

13.15

1.90

0.24

 

0.68

1.34

4.8

3/8

6.14

7.13

12.16

13.15

1.90

0.39

0.39

0.53

1.34

4.8

½

6.14

7.13

12.16

13.15

1.90

0.39

0.63

0.68

1.57

4.8

1

6.46

7.72

12.48

13.74

2.50

0.98

1.02

1.12

2.20

4.9

6.93

8.58

12.95

14.61

3.31

1.57

1.50

1.71

2.95

7.5

2

7.24

9.25

13.27

15.27

4.00

1.97

1.97

2.15

3.54

9.2

7.64

10.00

13.66

16.02

4.72

2.56

2.60

2.68

4.41

12

3

7.87

10.47

13.90

16.50

5.24

3.15

3.19

3.25

4.88

15

4

8.39

11.50

14.41

17.52

6.26

3.94

3.94

4.22

5.91

22


1) Короче на 13 мм / 0.5" при использовании клеммной коробки AISI (высокая температура 200 °C)

2) При встроенном измерительном преобразователе MAG 5000 или MAG 6000 вес увеличивается приблизительно на 0,8 кг.

 

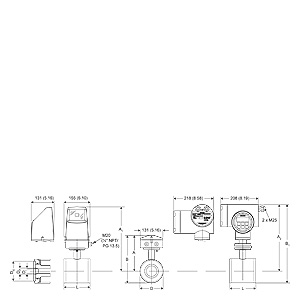
Измерительный датчик MAG 1100, компактный/раздельный

MAG 1100 DN 6 и DN 10 (1/4“ и 3/8“) подготовлены для подключения с помощью трубного соединения 1/2“ G.

 

Общая монтажная длина "L" [мм] / [дюймов] перед монтажом зависит от выбранного уплотнения.

Размер

EPDM

Графит

PTFE (телефон)

Без уплотнения

Кольцо заземления

DN

дюймов

[мм]

[дюймов]

[мм]

[дюймов]

[мм]

[дюймов]

[мм]

[дюймов]

[мм]

[дюймов]

6

¼

64

2.52

66

2.60

70

2.75

64

2.52

77

3.03

10

3/8

64

2.52

66

2.60

70

2.75

64

2.52

77

3.03

15

½

65

2.56

66

2.60

70

2.75

64

2.52

77

3.03

25

1

80

3.15

81

3.19

85

3.35

79

3.10

92

3.62

40

95

3.74

96

3.78

100

3.94

94

3.70

107

4.21

50

2

105

4.13

106

4.17

110

4.33

104

4.05

117

4.61

65

130

5.12

131

5.15

135

5.31

129

5.05

142

5.60

80

3

155

6.10

156

6.14

160

6.30

154

6.00

167

6.57

100

4

185

7.28

186

7.31

190

7.48

184

7.20

197

7.76


 

Длина "L" зависит от выбранного уплотнения.

Без уплотнения

EPDM

Графит

Телефон

[мм]

[дюймов]

[мм]

[дюймов]

[мм]

[дюймов]

[мм]

[дюймов]

150

5.9

150

5.9

152

6.0

156

6.1


 

 


































Каталог оборудования 2014
Каталог продуктов Siemens Industry Приводная техника Техника автоматизации Системы автоматизации Системы визуализации SIMATIC HMI Системы идентификации Промышленные коммуникации SIMATIC NET Промышленные аппараты управления SIRIUS Промышленные информационные технологии Управление на базе РС Системы управления процессом Датчики Контрольно-измерительные приборы Измерительные преобразователи для давления Датчики давления Приборы измерения температуры SITRANS T Расходомеры Введение SITRANS F M электромагнитные расходомеры Общая информация о электромагнитных расходомерах Верификатор SITRANS F M Преобразователь сигнала Преобразователи расхода MAGFLO MAG 1100 MAGFLO MAG 1100 Food MAG 3100 MAGFLO MAG 3100 MAGFLO MAG 5100W Transmag 2 Электромагнитный расходомер MAGFLO MAG 8000 Принадлежности для магнитно-индукционных сенсоров Преобразователь расхода 911/F5 SITRANS F C - кориолисов массовый расходомер SITRANS F US - ультразвуковой расходомер SITRANS F X (Vortex) SITRANS F O delta p primary differential pressure devices SITRANS F R rotary-piston meters SITRANS F RA110 electric flow registers Pulsers with inductive pick-up Уровнемеры Расходомеры и счетчики Позиционеры Устройство для защиты и пуска двигателей SIMOCODE-DP Сигнализаторы сбоев в промышленном процессе Дополнительные компоненты Коммуникации и программное обеспечение Аппаратные ПИД-регуляторы SIPART Встраиваемые самописцы и индикаторы Анализаторы процесса Технологии взвешивания Блоки питания Продукты для специальных требований Автоматизация и безопасность зданий Низковольтная коммутационная техника Технология безопасности Системные решения и продукты для отраслей Сервис ... и все, что Вам еще необходимо

  © ООО "СК ЭНЕРГО" 2007-2022
  (4872) 700-366  skenergo@mail.ru
Яндекс.Метрика