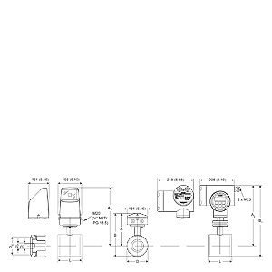
Измерительный датчик MAG 1100, компактный/раздельный
|
Диаметр |
A1) |
B1) |
A1 |
B1 |
D |
Di |
Di |
DP |
DG |
Вес2) |
|---|---|---|---|---|---|---|---|---|---|---|
|
6 |
156 |
181 |
309 |
334 |
48.3 |
6 |
|
17.3 |
34 |
2.2 |
|
10 |
156 |
181 |
309 |
334 |
48.3 |
10 |
10 |
13.6 |
34 |
2.2 |
|
15 |
156 |
181 |
309 |
334 |
48.3 |
15 |
16 |
17.3 |
40 |
2.2 |
|
25 |
164 |
196 |
317 |
349 |
63.4 |
25 |
26 |
28.5 |
56 |
2.7 |
|
40 |
176 |
218 |
329 |
371 |
84.0 |
40 |
38 |
43.4 |
75 |
3.4 |
|
50 |
184 |
235 |
337 |
388 |
101.6 |
50 |
50 |
54.5 |
90 |
4.2 |
|
65 |
194 |
254 |
347 |
407 |
120.0 |
65 |
66 |
68.0 |
112 |
5.5 |
|
80 |
200 |
266 |
353 |
419 |
133.0 |
80 |
81 |
82.5 |
124 |
7.0 |
|
100 |
213 |
292 |
366 |
445 |
159.0 |
100 |
100 |
107.1 |
145 |
10.0 |
|
Диаметр |
A1) |
B1) |
A1 |
B1 |
D |
Di |
Di |
DP |
DG |
Вес 2) |
|---|---|---|---|---|---|---|---|---|---|---|
|
¼ |
6.14 |
7.13 |
12.16 |
13.15 |
1.90 |
0.24 |
|
0.68 |
1.34 |
4.8 |
|
3/8 |
6.14 |
7.13 |
12.16 |
13.15 |
1.90 |
0.39 |
0.39 |
0.53 |
1.34 |
4.8 |
|
½ |
6.14 |
7.13 |
12.16 |
13.15 |
1.90 |
0.39 |
0.63 |
0.68 |
1.57 |
4.8 |
|
1 |
6.46 |
7.72 |
12.48 |
13.74 |
2.50 |
0.98 |
1.02 |
1.12 |
2.20 |
4.9 |
|
1½ |
6.93 |
8.58 |
12.95 |
14.61 |
3.31 |
1.57 |
1.50 |
1.71 |
2.95 |
7.5 |
|
2 |
7.24 |
9.25 |
13.27 |
15.27 |
4.00 |
1.97 |
1.97 |
2.15 |
3.54 |
9.2 |
|
2½ |
7.64 |
10.00 |
13.66 |
16.02 |
4.72 |
2.56 |
2.60 |
2.68 |
4.41 |
12 |
|
3 |
7.87 |
10.47 |
13.90 |
16.50 |
5.24 |
3.15 |
3.19 |
3.25 |
4.88 |
15 |
|
4 |
8.39 |
11.50 |
14.41 |
17.52 |
6.26 |
3.94 |
3.94 |
4.22 |
5.91 |
22 |
1) Короче на 13 мм / 0.5" при использовании клеммной коробки AISI (высокая температура 200 °C)
2) При встроенном измерительном преобразователе MAG 5000 или MAG 6000 вес увеличивается приблизительно на 0,8 кг.
Измерительный датчик MAG 1100, компактный/раздельный
MAG 1100 DN 6 и DN 10 (1/4“ и 3/8“) подготовлены для подключения с помощью трубного соединения 1/2“ G.
Общая монтажная длина "L" [мм] / [дюймов] перед монтажом зависит от выбранного уплотнения.
|
Размер |
EPDM |
Графит |
PTFE (телефон) |
Без уплотнения |
Кольцо заземления |
||||||
|---|---|---|---|---|---|---|---|---|---|---|---|
|
DN |
дюймов |
[мм] |
[дюймов] |
[мм] |
[дюймов] |
[мм] |
[дюймов] |
[мм] |
[дюймов] |
[мм] |
[дюймов] |
|
6 |
¼ |
64 |
2.52 |
66 |
2.60 |
70 |
2.75 |
64 |
2.52 |
77 |
3.03 |
|
10 |
3/8 |
64 |
2.52 |
66 |
2.60 |
70 |
2.75 |
64 |
2.52 |
77 |
3.03 |
|
15 |
½ |
65 |
2.56 |
66 |
2.60 |
70 |
2.75 |
64 |
2.52 |
77 |
3.03 |
|
25 |
1 |
80 |
3.15 |
81 |
3.19 |
85 |
3.35 |
79 |
3.10 |
92 |
3.62 |
|
40 |
1½ |
95 |
3.74 |
96 |
3.78 |
100 |
3.94 |
94 |
3.70 |
107 |
4.21 |
|
50 |
2 |
105 |
4.13 |
106 |
4.17 |
110 |
4.33 |
104 |
4.05 |
117 |
4.61 |
|
65 |
2½ |
130 |
5.12 |
131 |
5.15 |
135 |
5.31 |
129 |
5.05 |
142 |
5.60 |
|
80 |
3 |
155 |
6.10 |
156 |
6.14 |
160 |
6.30 |
154 |
6.00 |
167 |
6.57 |
|
100 |
4 |
185 |
7.28 |
186 |
7.31 |
190 |
7.48 |
184 |
7.20 |
197 |
7.76 |
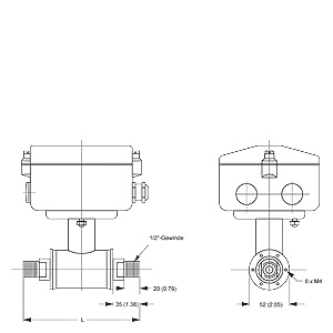
Длина "L" зависит от выбранного уплотнения.
|
Без уплотнения |
EPDM |
Графит |
Телефон |
||||
|---|---|---|---|---|---|---|---|
|
[мм] |
[дюймов] |
[мм] |
[дюймов] |
[мм] |
[дюймов] |
[мм] |
[дюймов] |
|
150 |
5.9 |
150 |
5.9 |
152 |
6.0 |
156 |
6.1 |



