|
Стабилизированные блоки питания включают в свой состав электронный регулятор, обеспечивающий стабилизацию выходного напряжения на заданном уровне с минимальным отклонением от этого уровня при изменениях входного напряжения или нагрузки. Пульсации выходного напряжения лежат в милливольтовом диапазоне и зависят от нагрузки, подключенной к выходу блока питания. Стабилизированные блоки питания могут строиться на основе различных принципов. Наиболее распространенными типами схем являются:
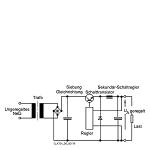
Выбор принципа стабилизации напряжения зависит, прежде всего, от конкретных условий применения данного блока питания Стабилизаторы последовательного типаПринципиальная схема стабилизатора последовательного типа Стабилизаторы последовательного типа работают по обычному принципу. Они получают питание от сети 1- или 3-фазного переменного тока. С помощью трансформатора входное напряжение блока питания преобразуется в переменное напряжение требуемого уровня. Это напряжение выпрямляется, сглаживается фильтром и поступает на вход электронного регулятора, формирующего выходное стабилизированное напряжение блока питания. Электронный регулятор включает в свой состав усилитель и регулирующий элемент, включенный последовательно с нагрузкой. Неизменность уровня выходного напряжения обеспечивается регулировкой степени открытия и падения напряжения на регулирующем элементе. При этом разность между напряжением на сглаживающем конденсаторе и падением напряжения на регулирующем элементе остается постоянной, равной заданному уровню Uвых. Возникающие тепловые потери пропорциональны произведению значения тока нагрузки и падение напряжения на регулирующем элементе. Стабилизаторы последовательного типа хорошо адаптируются к различным условиям эксплуатации. Они позволяют создавать блоки питания с несколькими уровнями стабилизированных выходных напряжений. Для этого достаточно использовать трансформатор с несколькими вторичными обмотками с соответствующими выпрямителями, фильтрами и стабилизаторами. Некоторые решения могут базироваться только на этом принципе. Стабилизаторы данного типа отличаются высоким быстродействием, высокой точностью стабилизации выходного напряжения, имеют низкий уровень пульсаций выходного напряжения. К их недостаткам следует отнести небольшой коэффициент полезного действия и значительные массогабаритные показатели. Поэтому стабилизаторы последовательного типа используются только в блоках питания небольшой мощности. Преимущества:
Недостатки:
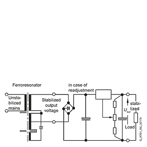
Магнитные стабилизаторы напряженияПринципиальная схема магнитного стабилизаторы напряжения Магнитные стабилизаторы состоят из ферромагнитного резонатора и дополнительного регулирующего блока. Ферромагнитный резонатор обеспечивает достаточно высокую точность стабилизации своего выходного напряжения переменного тока. Его входная и резонансная обмотки магнитного стабилизатора разделены большим воздушным зазором. Рабочей зоной резонатора является зона насыщения стали сердечника. Для повышения точности стабилизации выходного напряжения к выходу ферромагнитного резонатора достаточно часто подключают стабилизатор последовательного типа или импульсный стабилизатор с коммутацией на вторичной стороне. Магнитные стабилизаторы отличаются высокой надежностью, однако имеют относительно большие массогабаритные показатели и высокую стоимость. Преимущества:
Недостатки:
Импульсные стабилизаторы с коммутацией на вторичной стороне:Принципиальная схема импульсного стабилизатора с коммутацией на вторичной стороне Гальваническое разделение с питающей сетью обеспечивается применением 50 или 60 Гц трансформатора. После выпрямления и сглаживания напряжение подается на выходную цепь фильтрации и накопления через транзисторный ключ, работающий в импульсном режиме. Входной трансформатор обладает свойствами фильтра, поэтому блок питания практически не оказывает влияния на работу питающей сети. КПД такого стабилизатора очень высок. Конструкция стабилизатора имеет множество преимуществ и позволяет создавать блоки питания с несколькими уровнями стабилизированных выходных напряжений. В импульсных стабилизаторах с коммутацией на вторичной стороне необходимо предпринимать меры для защиты нагрузки, поскольку при пробое транзисторного ключа к нагрузке может быть приложено нестабильное напряжение сглаживающего конденсатора. Подобная проблема существует и в стабилизаторах последовательного типа. Преимущества:
Недостатки:
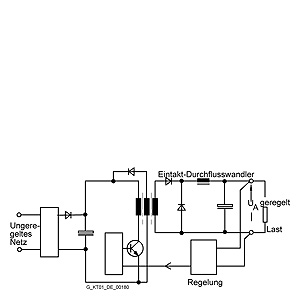
Импульсные стабилизаторы с коммутацией на первичной стороне:Для построения импульсных стабилизаторов с коммутацией на первичной стороне может использоваться большое количество схемотехнических решений. Хорошо известны схемы на основе 1- и 2-тактных, блокирующих, полумостовых и мостовых, а также резонансных преобразователей. Принцип действия импульсных стабилизаторов с коммутацией на первичной стороне будет рассмотрен на примере схемы с 1-тактным преобразователем. Принципиальная схема 1-тактного преобразователя Входное напряжение сети сначала выпрямляется и сглаживается. Емкость конденсатора в промежуточном контуре определяет допустимое время исчезновения входного напряжения. При входном напряжении ~230 В напряжение на промежуточном контуре составляет =320 В. Это напряжение подается на вход 1-тактного преобразователя, который использует высокочастотную широтно-импульсную модуляцию для передачи электроэнергии через импульсный трансформатор. Коммутирующий транзистор работает в ключевом режиме. Потери мощности на нем незначительны. В зависимости от величины выходного напряжения и тока нагрузки КПД стабилизатора может находиться в пределах от 70 до 90%. Импульсный трансформатор работает на высокой частоте, поэтому его размеры достаточно малы. Увеличение частоты ведет к уменьшению габаритов импульсного трансформатора, но увеличивает потери на коммутацию, поэтому данный параметр должен выбираться с учетом обеспечения требуемого значения КПД. В подавляющем большинстве импульсных преобразователей в зависимости от их выходной мощности используются тактовые частоты в диапазоне от 20 до 250 кГц. Напряжение вторичной обмотки импульсного трансформатора выпрямляется, фильтруется и сглаживается. Отклонение Uвых от заданного значения передается через оптрон в первичную цепь. Через широтно-импульсный регулятор (проводящая фаза коммутирующего транзистора в первичном контуре) необходимая энергия передается во вторичную цепь, стабилизируя выходное напряжение. Во время непроводящей фазы коммутирующего транзистора трансформатор через вспомогательную обмотку снова размагничивается. Максимальная скважность импульсов в этих схемах не превышает 50%. Преимущества:
Недостатки:
Благодаря своим небольшим массогабаритным показателям, высокому КПД и хорошему соотношению цена/ производительность импульсные блоки питания с коммутацией в первичной цепи получают все более широкое распространение по сравнению со стабилизаторами других типов. Резюме
Критерии сравнения основных вариантов схем
|
|||||||||||||||||||||||||||||||||||||||||||||||||||
| Каталог 2018 | Каталог 2017 | Каталог 2016 | Каталог 2015 | Каталог 2014 | Каталог 2013 | Каталог 2012 | Сертификат | Контакты | Карта сайта | Поиск |


