Siemens
СРЕДСТВА ПРОМЫШЛЕННОЙ АВТОМАТИЗАЦИИ
официальный партнер Сименс
Каталог СА01 2014
архивный
(4872) 700-366
skenergo@mail.ru
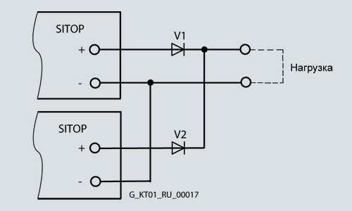
Параллельное включение блоков питания
Параллельное включение для резервирования

Два источника питания SITOP одного и того же типа могут быть соединены параллельно через диоды (V1, V2 на рисунке) для достижения резервирования. 100% резервирование с двумя источниками питания SITOP существует только когда полный ток нагрузки не превышает тока нагрузки который может обеспечить один источник питания SITOP и источник питания на входной стороне тоже сконфигурирован с избыточностью. То есть, в случае короткого замыкания в первичной сети источника питания не должно быть общих предохранителей отключающих оба источника от системы электропитания.

Параллельное соединение с разделительными диодами для резервирования допускается со всеми источниками SITOP. Диоды V1 и V2 служат для разделения. Они должны иметь обратное напряжение, по крайней мере, не менее 40 В и должны обеспечивать номинальный ток, соответствующий максимальному выходному току установленного источника SITOP power.

 

Руководство

Диоды должны соответствовать максимальному динамическому току. Это может быть динамический ток короткого замыкания при пуске или работе (должна быть принята большая величина).

Для рассеивания значительной мощности теряемой на (current x conducting-state voltage drop) диоды необходимо снабдить теплоотводами соответствующего размера.

Разумно оставить дополнительный резерв безопасности, потому что входной конденсатор в источнике питания SITOP дает дополнительный токовый пик в случае короткого замыкания. Однако, этот дополнительный ток течет в течение нескольких миллисекунд и поэтому в диапазоне времени (< 8.3 мс, допустимый кратковременный ток диодов) в течение которого диоды могут подвергаться многократному превышению номинального тока.

Пример 1

Два однофазных источника питания SITOP с номинальным выходным током - 10 A подключаются параллельно (заказной номер продукта 6ES7307-1KA00-0AA0). Динамический ток во время короткого замыкания пуска примерно 22 A для 150 мс.

Для сохранности, диоды должны иметь номинальный ток 30 A; Теплоотвод должен обеспечивать возможный длительный ток (см. техническую спецификацию): ограничение тока 13 A на диод or или предпочтительно, для безопасности, по крайней мере 15 A на диод.

Пример 2

Два преобразователя DC/DC с номинальным выходным током 20 A (заказной номер 6EP1536-1SL01) подключаются параллельно. Динамический ток для короткого замыкания работы примерно 38 A для 500 ms.

Для сохранности, диоды должны иметь номинальный ток 50 A; Теплоотвод должен обеспечивать возможный длительный ток (см. техническую спецификацию): ограничение тока 23 A на диод или предпочтительно, для безопасности, по крайней мере 30 A на диод.

Тип диодов

Например, подходящий тип для SITOP power 20
ISOTOP модуль BYV 54V-50 (обратное напряжение 50 В).

Изготовитель
SGS Thomson

Поставщик
например, Spoerle

Преимущество:

Каждый модуль содержит два диода изолированных друг от друга и от подложки, с номинальным током DC I F AV - 50 A каждый и I F RMS - 100 A. С током нагрузки 50 A при падении напряжения приблизительно 0.8 В.

Замечание: ISOTOP модули BYV 54V-200 (обратное напряжение 200 В) обычно доступны от дистрибьюторов.

 

 


































Каталог оборудования 2014
Каталог продуктов Siemens Industry Приводная техника Техника автоматизации Системы автоматизации Системы визуализации SIMATIC HMI Системы идентификации Промышленные коммуникации SIMATIC NET Промышленные аппараты управления SIRIUS Промышленные информационные технологии Управление на базе РС Системы управления процессом Датчики Блоки питания Блоки питания SITOP Введение Блоки питания серии SITOP lite Блоки питания серии SITOP compact Блоки питания серии LOGO!Power Блоки питания серии SITOP smart SITOP в исполнении SIMATIC Модульные блоки питания SITOP Специальное исполнение и назначение Дополнительные компоненты Блоки бесперебойного питания DC-UPS Аксессуары Блоки питания заказного исполнения Техническая информация и проектирование Общие замечания Нестабилизированные блоки питания Стабилизированные блоки питания Питающие сети переменного тока Сетевые помехи и причины их появления Инструкции по монтажу, монтажные области и способы монтажа Параллельное включение блоков питания Последовательное включение для повышения напряжения Заряд батарей с использованием SITOP power Защита цепей =24В и селективность Стандарты и разрешения Семейство SIPLUS SIPLUS DC-UPS, бесперебойные источники питания Миниатюрные блоки питания SIPLUS SITOP power для AS-Interface Трансформаторы, источники питания и системы SIDAC Блоки питания Блоки питания для AS-интерфейса Photovoltaics Продукты для специальных требований Автоматизация и безопасность зданий Низковольтная коммутационная техника Технология безопасности Системные решения и продукты для отраслей Сервис ... и все, что Вам еще необходимо

  © ООО "СК ЭНЕРГО" 2007-2022
  (4872) 700-366  skenergo@mail.ru
Яндекс.Метрика