|
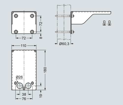
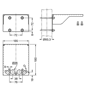
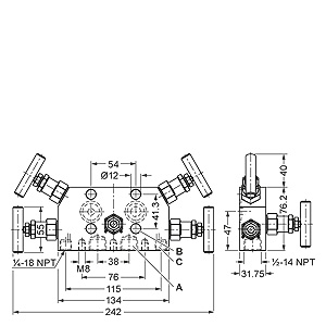
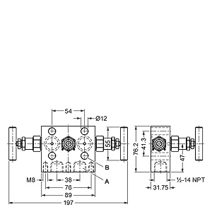
3-х шпиндельный вентильный блок для вертикальных импульсных линий, размеры в мм 5-ти шпиндельный вентильный блок для вертикальных импульсных линий, размеры в мм Монтажный уголок (7MF9006-6NA)/(M17) для 3-х шпиндельного вентильного блока, размеры в мм Монтажный уголок (7MF9006-6PA)/(M18) для 5-ти шпиндельного вентильного блока, размеры в мм Монтажный уголок (7MF9006-6QA)/(M19) для 3-х и 5-ти шпиндельного вентильного блока, размеры в мм |
| Каталог 2018 | Каталог 2017 | Каталог 2016 | Каталог 2015 | Каталог 2014 | Каталог 2013 | Каталог 2012 | Сертификат | Контакты | Карта сайта | Поиск |



