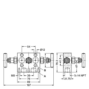
3-х шпиндельный вентильный блок для вертикальных импульсных линий, размеры в мм
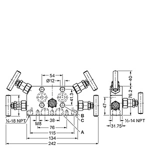
5-ти шпиндельный вентильный блок для вертикальных импульсных линий, размеры в мм
Монтажный уголок (7MF9006-6NA)/(M17) для 3-х шпиндельного вентильного блока, размеры в мм
Монтажный уголок (7MF9006-6PA)/(M18) для 5-ти шпиндельного вентильного блока, размеры в мм
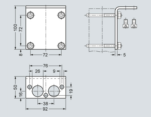
Монтажный уголок (7MF9006-6QA)/(M19) для 3-х и 5-ти шпиндельного вентильного блока, размеры в мм



