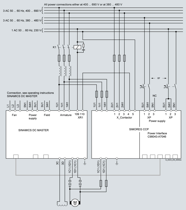
Блок-схема
Работа без главного контактора не допускается.
Управляющее напряжение для главного контактора (или выключателя) всегда должно быть направлено через клеммы XR (подключение 109 и 110) от преобразователя SINAMICS DC MASTER, а также через клеммы X_Contactor (соединения 4 и 5) SIMOREG CCP.
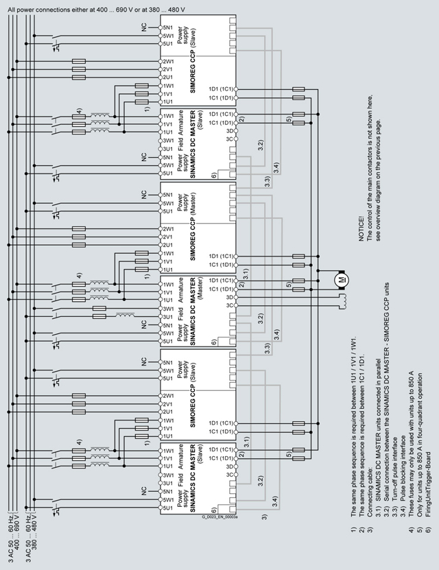
Для приложений с SIMOREG CM, в случае неисправности, конвертер или SIMOREG CCP должны иметь возможность безопасно отключить устройство от сети питания. Кроме того, необходимо обеспечить, чтобы в общей сложности задержка времени всех коммутационные элементов в цепи управления не должны превышать время, установленное с помощью соответствующих параметров. Когда SINAMICS DC MASTER преобразователи подключаются параллельно, каждый непосредственно параллельно связан с SIMOREG CCP (см. блок-схему для параллельного подключения).
Блок-схема для параллельного подключения


