|
Функции регулирования в якорном контуре |
|
|
Задание скорости вращения |
Источник задания скорости и его дополнительных значений может быть задан через параметрирование:
Нормирование осуществляется таким образом, чтобы 100% задания (формируется из главного и дополнительного заданий) соответствовало максимальной скорости двигателя. Задание может быть ограничено минимальным и максимальным значением через параметр или конектор. Кроме того, в программном обеспечении имеются дополнительные ячейки, например, для того, чтобы иметь возможность вводить дополнительное задание до или после функции разгона генератора. Через бинектор можно выбрать функцию "Разблокировка задания". После параметрируемых функции фильтрования (PT1 элемент), суммарное задание передается далее на вход регулятора скорости. В этом случае активна функция разгона генератора. |
|
Фактическая скорость |
В качестве сигнала для текущего значения скорости может быть выбран один из четырех источников.
Напряжение тахогенератора при максимальной скорости может составлять от 8 до 270 В. Согласование напряжению производится через параметр.
Тип импульсного датчика, число штрихов на один оборот и максимальная скорость вращения настраиваются через параметры. В электронном блоке оцифровки сигналы датчика (симметричные: с дополнительной инвертированной дорожкой или несимметричные: относительно массы) могут быть обработаны до максимального дифференциального напряжения 27 В.
Для регулирования ЭДС датчик скорости не требуется. Для этого измеряется выходное напряжение преобразователя. Измеренное напряжение якоря компенсируется с внутренним падением напряжения двигателя (IR компенсация). Величина компенсации выбирается автоматически в процессе оптимизации регулятора тока. Точность этого процесса регулирования определяется изменением сопротивления в якорном контуре двигателя, зависящего от температуры и составляет около 5%. Рекомендуется процесс оптимизации регулятора тока для достижения наивысшей точности проводить при рабочей температуре машины. Регулирование ЭДС можно использовать тогда, когда требования к точности не очень высоки, невозможна встройка датчика и двигатель работает в диапазоне якорного напряжения.
Для этого режима можно использовать любые номера конекторов в качестве сигнала текущего значения скорости. Такая настройка выбирается прежде всего тогда, когда регистрация текущего значения скорости производится технологическим модулем. |
|
Датчик разгона |
Датчик разгона преобразовывает вводимое задание при скачкообразном изменении в непрерывно изменяемом во времени сигнале задания. Время разгона и замедления можно настраивать независимо друг от друга. Дополнительно датчиком разгона используется сглаживатель начала и конца, который работает в начале и в конце времени разгона. Все времена датчика разгона настраиваются независимо друг от друга. Для времен датчика разгона имеется три блока параметров, которые могут быть выбраны через двоичные входы выбора или через последовательный интерфейс (через бинектор). Переключение параметров датчика разгона может производиться во время работы. Значение блока параметров 1 можно дополнительно мультипликативно оценивать через конектор (для изменения данных датчика разгона через конектор). При вводе времени датчика разгона равного нулю задание скорости напрямую передается на регулятор скорости. |
|
Регулятор скорости |
Регулятор скорости сравнивает задание и текущее значение скорости вращения и при отклонении выдает регулятору тока соответствующее задание по току (принцип: регулирование скорости при помощи вспомогательного регулятора тока).Регулятор скорости выполнен как PI-регулятор с дополнительной выбираемой D-компонентой. Кроме того, переключаемая статическая часть является выбираемой. Все параметры регулятора можно настраивать независимо друг от друга. Значение Кр(усиление) можно адаптировать в зависимости от сигнала конектора (внешнего или внутреннего). При этом Р-усиление регулятора скорости можно настроить в зависимости от текущего значения скорости, от текущего значения тока, от разности заданного и текущего значений или от диаметра обмотки. Для высокой динамики контура регулирования скорости он является управляемым. Для этого, например, в зависимости от трения и момента инерции привода после регулятора скорости добавляется моментальное значение задания. Определение компенсации трения и инерции можно производить в процессе автоматической оптимизации. Выходное значение регулятора скорости можно настраивать через параметры сразу же после разблокировки регулятора. В зависимости от параметрирования можно обойти регулятор скорости и регулировать преобразователь по моменту или по току. Дополнительно имеется возможность переключения регулирования скорости и регулирования момента во время работы через функцию выбора «ведущее/ведомое переключение». Функция выбирается как бинектор через двоичную клемму выбора или через последовательный интерфейс. Ввод задания по моменту производится через выбираемый конектор и может поступать через аналоговую клемму или от последовательного интерфейса. В ведомом режиме (режим регулирования момента или тока) работает ограничение регулятора. При этом можно в зависимости от устанавливаемого в параметрах ограничения скорости воздействовать на регулятор, чтобы исключить недопустимый разнос привода. Привод при этом ограничивается на настраиваемое отклонение скорости. |
|
Ограничение момента |
В зависимости от параметрирования выход регулятора скорости представляет собой либо задание момента, либо задание тока. В режиме регулирования момента выход регулятора скорости оценивается совместно с потоком машины и затем в виде задания по току передается на регулятор тока. Режим регулирования момента используется прежде всего при понижении тока, чтобы независимо от скорости вращения можно было бы ограничить момент двигателя. Перечень доступных функций:
В качестве действующего ограничения момента всегда принимается наименьшая заданная величина. После ограничения момента можно дополнительно прибавить задание момента. |
|
Ограничение тока |
Ограничение тока, устанавливаемое после ограничения момента, служит для защиты преобразователя и двигателя. В качестве действующего ограничения тока всегда принимается наименьшая из заданных величин. Следующие значения ограничения тока могут быть установлены:
Контроль силовой части по I 2t : при всех значениях тока рассчитывается тепловое состояние тиристоров. При достижении граничной температуры для тиристоров в зависимости от параметрирования либо постоянный ток понижается до номинального, либо преобразователь выключается с выдачей сообщения о неисправности. Эта функция служит для защиты тиристоров. |
|
Регулятор тока |
Регулятор тока выполнен как PI-регулятор с независимыми друг от друга настраиваемыми Р-усилением и постоянной времени регулирования. При этом составляющие Р и I могут отключаться (чистое Р- или I- регулирование). Текущее значение тока регистрируется на стороне переменного тока при помощи преобразователя тока и передается через полное сопротивление трансформатора и выпрямитель на аналогово-цифровой преобразователь. Разрешение составляет 10 бит на номинальный ток преобразователя. В качестве задания по току используется выход ограничителя тока. Выход регулятора тока выдает на блок управления управляющий угол, параллельно этому действует управление с двойным усилением. |
|
Управление с двойным усилением |
Такое управление в контуре регулирования тока улучшает динамику регулирования. Благодаря этому становится возможным таймерный интервал регулирования от 6 до 9 мс. Управление с двойным усилением действует в зависимости от задания по току и ЭДС двигателя и обеспечивает благодаря этому при прерывистом и непрерывистом токе и даже при смене направления момента ввод необходимого управляющего угла в блок управления. |
|
Командная ступень |
Командная ступень (только в преобразователях для четырехквадрантного режима) действует совместно с контуром регулирования тока логического процесса всех необходимых для смены момента действий. При необходимости можно заблокировать через параметры также и направление момента. |
|
Блок управления |
Блок управления образует синхронно с сетевым напряжением управляющий импульс для тиристоров силовой части. Синхронизация является независимой от вращающегося поля и от питания электроники и воспринимается силовой частью. Положение управляющего импульса во времени определяется выходным значением регулятора тока и управлением с двойным усилением. Ограничение регулирования производится через параметр. Блок управления автоматически настраивается на подаваемую частоту в диапазоне 45 … 65 Гц. |
|
Функции регулирования в цепи возбуждения |
|
|
ЭДС регулятор |
Регулятор ЭДС сравнивает заданное и фактическое значение ЭДС (вызванное напряжением двигателя) и вводит заданное значение для тока контроллера. Таким образом, это позволяет контролировать ослабления поля, которое зависит от ЭДС. |
|
Регулятор тока возбуждения |
Регулятор тока возбуждения - это PI регулятор - где Kp и Tn могут быть установлены независимо. т.е. регулятор может работать как чистый P и I регулятор. Управление с двойным усилением работает параллельно регулятору тока возбуждения. Он рассчитывет и устанавливает управляющий угол для цепи возбуждения в зависимости от задания по току и напряжения питания. Управление с двойным усилением текущего контроллер поддерживает регулятор тока и гарантирует, что цепь возбуждения имеет соответствующую динамику. Реглятор цепи возбуждения - это ПИ регулятор, где Kp и Tn могут быть установлены независимо, он так же может быть использован как чистый П или И регулятор. Функция преконтроля работает в параллель к регулятору поля. Она рассчитывает угол поджига для цепи возбуждения, как функция от уставки тока и напряжения сети. Система преконтроля поддерживает регулятор тока и гарантирует требуемую производительность цепи возбуждения. |
|
Блок управления |
Блок управления образует синхронно с сетевым напряжением управляющий импульс для тиристоров силовой части в цепи возбуждения. Синхронизация воспринимается силовой частью и поэтому не зависит от питания электроники. Положение управляющего импульса во времени определяется выходным значением регулятора тока и управлением с двойным усилением. Ограничение регулирования производится через параметр. Блок управления автоматически настраивается на подаваемую частоту в диапазоне 45 … 65 Гц. |
|
Связь между компонентами привода |
|
|
DRIVE-CLiQ |
Связь между компонентами SINAMICS осуществляется с помощью стандартного внутреннего SINAMICS интерефейса DRIVE-CLiQ. Он связывает блок управления с подключенными компонентами привода (DC преобразователь, клеммные модули и т.д.). . |
|
SINAMICS Link |
SINAMICS link соединение позволяет непосредственно обмениватсья данными между несколькими (от 2 до 64) Блоками управления. Мастер более высокого уровня не требуется. Следующие Блоки управления SINAMICS поддерживают соединение:
Для использования соединений SINAMICS все блоки управления должны быть оборудованы коммуникационной платой CBE20 (опция G20). Кроме того,для расширенной панели управления требуется карта памяти (опция S01, S02). Связь может быть либо синхронной (только CU320-2), не-синхронной или комбинацией обоих. Каждый участник может отправлять и получать до 16 слов данных процесса. Например, SINAMICS соединение может быть использовано для следующих приложений:
|
Обзор, структура регулирования
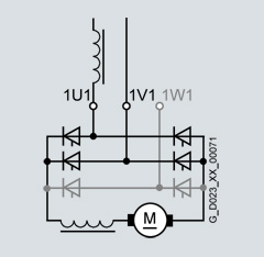
Однофазный режим
Для преобразователей DC до 125 и до 575 В АС, полная функциональность устройства возможна даже при питании только через два проводника
Это означает, в проекте модернизации, например, преобразователь с однофазным подключением может быть интегрирован в современную концепцию (TIA) без каких-либо изменений в существующией машине или устройстве.
Преобразователь подключен к линии питания через клеммы 1U1 и 1W1. Необходимо, чтобы однофазный коммутирующий дроссель или трансформатор обеспечивался 4% uk который участвует в питании преобразователя.
Коммутирующий дроссель и трансформатор должны быть выбраны в зависимости от номинального тока цепи якоря.
В В2 схеме, линейный ток равен постоянному току в цепи якоря. Все другие компоненты на стороне привода должны быть рассчитаны в соответствии с этим.
Кроме того, из-за более высокой пульсации тока по сравнению с шестью импульсном режимом, сглаживающий дроссель должен быть представлен в цепи постоянного тока. Пожалуйста, свяжитесь с производителем при определении размеров сглаживающего дросселя.
Соответсвующие технические данные трехфазного преобразователя в однофазном режиме приводится в разделе «Технические характеристики» к DC преобразователю. (По сравнению с трехфазным режимом, коэффициент снижения 0,7 должен быть принят во внимание для номинального постоянного тока.)
Номинальное выходное напряжение для однофазного режима
|
Питание |
Выходное номинальное напряжение для однофазного режима |
|
|---|---|---|
|
|
Двуквадрантный режим |
Четырехквадрантный режим |
|
В |
В |
В |
|
230 |
180 |
160 |
|
400 |
320 |
280 |
|
480 |
385 |
335 |
|
575 |
460 |
400 |
Температура охладителя и высота установки
Снижение тока
Допустимая температура охладителя и установка высоты для SINAMICS DC MASTER, а также максимально допустимая масса нагрузки преобразователя в непрерывном режиме работы отображены в следующей таблице (нагрузка определяется как % от номинального тока).
|
|
Максимально допустимая нагрузка преобразователя DC в непрерывном режиме (нагрузка определяется как % от номинального постоянного тока) |
|||||||||
|---|---|---|---|---|---|---|---|---|---|---|
|
|
Высота установки над уровнем моря (Снижение номинальных значений может быть определено использованием линейной интерполяции) |
|||||||||
|
Температура окр.среды или охладителя |
1 000 м |
2 000 м |
3 000 м |
4 000 м |
5 000 м |
|||||
|
|
преобр. до 125 A |
преобр. от 210 A и выше |
преобр. до 125 A |
преобр. до 210 A и выше |
преобр. до 125 A |
преобр. от 210 A и выше |
преобр. до125 A |
преобр. от 210 A и выше |
преобр. до to 125 A |
преобр. от 210 A и выше |
|
30 °C |
100 % |
100 % |
100 % |
98 % |
96 % |
88 % |
86 % |
78 % |
78 % |
70 % |
|
35 °C |
100 % |
100 % |
100 % |
93 % |
90 % |
83 % |
80 % |
73 % |
|
|
|
40 °C |
100 % |
100 % |
94 % |
88 % |
84 % |
78 % |
|
|
|
|
|
45 °C |
100 % |
95 % |
88 % |
83 % |
|
|
|
|
|
|
|
50 °C |
94 % |
90 % |
82 % |
78 % |
|
|
|
|
|
|
|
55 °C |
88 % |
|
|
|
|
|
|
|
|
|
Снижение напряжения
Устройства могут работать при установки высоты до 4 000 м над уровнем моря с указанным номинальным напряжением питания. Напряжение линии питания может иметь III категорию перенапряжения относительно земли. Для установки высоты более 4 000 м, в некоторых случая необходимо снизить напряжение питания или убедиться, что сохраняется категория перенапряжения II. Подробная информация содержится в инструкции по эксплуатации.


