СРЕДСТВА ПРОМЫШЛЕННОЙ АВТОМАТИЗАЦИИ
официальный партнер Сименс
Каталог СА01 2013
архивный
(4872) 700-366
skenergo@mail.ru
Поиск
Каталог 2018
|
Каталог 2017
|
Каталог 2016
|
Каталог 2015
|
Каталог 2014
|
Каталог 2013
|
Каталог 2012
|
Сертификат
|
Контакты
|
Карта сайта
|
Поиск
Информация по продукту также доступна в обновленном каталоге
СА01 2018
и в архивных каталогах
СА01 2017
СА01 2016
СА01 2015
СА01 2014
Обзор
|
Особенности
|
Область применения
|
Функции
|
Технические данные
|
Чертеж
|
Схема подключения
|
Заказные данные
|
Заказные данные
Блок акустической диагностики SITRANS DA400
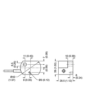
Сенсор для SITRANS DA400, размеры в мм (дюймах)
SITRANS DA400, размеры в мм (дюймах)
Каталог оборудования 2013
Каталог продуктов Siemens Industry
Приводная техника
Техника автоматизации
Системы автоматизации
Системы визуализации SIMATIC HMI
Системы идентификации
Промышленные коммуникации SIMATIC NET
Промышленные аппараты управления SIRIUS
Промышленные информационные технологии
Управление на базе РС
Системы управления процессом
Датчики
Контрольно-измерительные приборы
Pressure measurement
Датчики давления
Приборы измерения температуры SITRANS T
Расходомеры
Уровнемеры
Расходомеры и счетчики
Позиционеры
Устройство для защиты и пуска двигателей SIMOCODE-DP
Сигнализаторы сбоев в промышленном процессе
Обзор продукции
Акустические датчики и датчики движения
Блок акустической диагностики SITRANS DA400
Aкустический датчик SITRANS AS 100
Блок управления SITRANS CU 02
Milltronics MFA 4p
Milltronics Millpulse 600
Milltronics ZSS
Supplementary components
Коммуникации и программное обеспечение
Аппаратные ПИД-регуляторы SIPART
Встраиваемые самописцы и индикаторы
Анализаторы процесса
Технологии взвешивания
Датчики зрения
Блоки питания
Продукты для специальных требований
Автоматизация зданий
Низковольтная коммутационная техника
Технология безопасности
Системные решения и продукты для отраслей
Сервис
... и все, что Вам еще необходимо
©
ООО "СК ЭНЕРГО"
2007-2022
(4872) 700-366 skenergo@mail.ru