Особенности продукта
Непрерывный и независимый контроль состояния:
- нагнетательных клапанов, для определения утечки
- мембран, для определения усталости металлов
- температурной нагрузки масла гидравлики
Вывод информации о состоянии в систему управления процессом:
через цифровые выходы
- цифровая передача через PROFIBUS DP или PROFIBUS PA
Простое управление и параметрирование :
- Локально, через цифровой дисплей и кнопок
- PROFIBUS DP и PROFIBUS PA
Принцип работы
Принцип измерения
Утечки нагнетательных клапанов поршневых насосов являются потоками, в которых возникают кавитации. Это приводит к возникновению звуковых колебаний, которые передаются на корпус клапана, где они регистрируются сенсором шумов конструкции изделия и SITRANS DA400, расположенным снаружи.
В SITRANS DA400 используется тот факт, что как при открытом, так и при закрытом неповрежденном клапане, кавитаций не возникает, и замеренный уровень шума соответствует рабочему шуму насоса. Однако при закрытом поврежденном клапане, напротив, возникают кавитации, что может быть обнаружено по периодическому возрастанию уровня шума. Измеренное SITRANS DA400 значение в точности соответствует этому приросту уровня шумов.
Измерение происходит в ультрозвуковом диапазоне. Таким образом отфильтровывается рабочий шум насоса и шум закрывания клапанов.
Сигнал сенсора шума при неповрежденном клапане
Сигнал сенсора шума при поврежденном клапане
Принцип работы сенсора
Работа сенсора шума конструкции основана на пьезоэлектрическом принципе. Шум конструкции передается в сенсор через его основание (монтажную поверхность) и преобразуется внутри него в электрическое напряжение. Это напряжение усиливается в сенсоре, а затем передается через кабель.
Частотный диапазон сенсора лежит в ультрозвуковой области. Сенсор является ненаправленным, тю ею угол, под которым звуковые волны падают на основание сенсора, не играет никакой роли.
принцип работы электроники
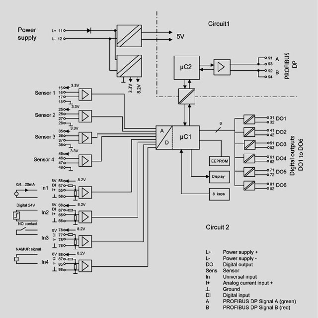
SITRANS DA400, функциональная схема электроники



