Deprecated: Function eregi() is deprecated in /home/h101150-2/siemens71.ru/docs/new/cat.php on line 184
SITRANS P280 WirelessHART pressure transmitter, process connection G ", dimensions in mm (inch)
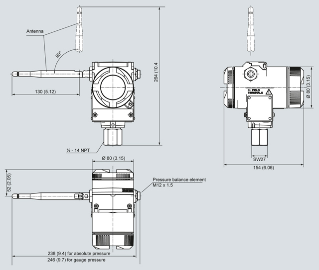
SITRANS P280 WirelessHART pressure transmitter, process connection - 14 NPT, dimensions in mm (inch)



