Deprecated: Function eregi() is deprecated in /home/h101150-2/siemens71.ru/docs/new/cat.php on line 184
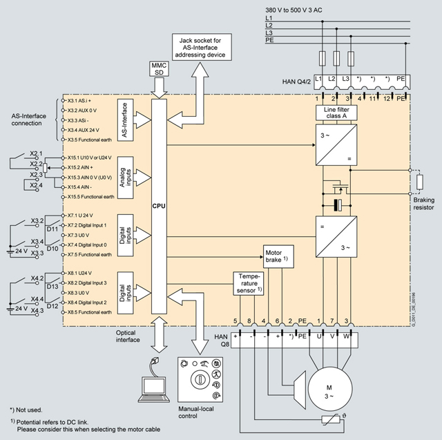
Преобразователи частоты SINAMICS G110D в стандартном исполнении имеют следующие интерфейсы:
- Подключение к двигателю через HAN Q8 (коннектор) включая контроль за тормозным блоком и датчики температуры
- Подключение к питающей сети через HAN Q4/2
- Подключение к тормозному резистору со степенью защиты IP65 через трехфазный коннектор
- AS-интерфейс подключение через M12 (коннектор)
- 4 цифровых входа через M12
- 1 аналоговый вход через M12; может быть также использован как цифровой вход
- Подключение к AS-Interface через контактный штекер
Последовательный интерфейс идентичен у SINAMICS G120D и у SIRIUS M200D.
SINAMICS G110D со встроенным фильтром класса А, диаграмма подключения


