Siemens
СРЕДСТВА ПРОМЫШЛЕННОЙ АВТОМАТИЗАЦИИ
официальный партнер Сименс
Каталог СА01 2012
архивный
(4872) 700-366
skenergo@mail.ru

Deprecated: Function eregi() is deprecated in /home/h101150-2/siemens71.ru/docs/new/cat.php on line 184
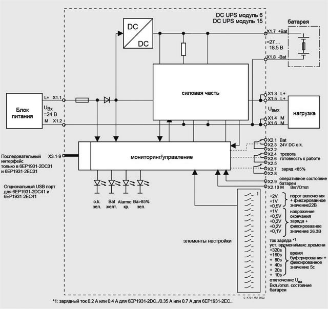
Модули DC-UPS с модулями батарей





















































Каталог оборудования
Каталог продуктов Siemens Industry Приводная техника Техника автоматизации Системы автоматизации Системы визуализации SIMATIC HMI Системы идентификации Промышленные коммуникации SIMATIC NET Промышленные аппараты управления SIRIUS Промышленные информационные технологии Управление на базе РС Системы управления процессом Датчики Блоки питания Блоки питания SITOP Блоки питания серии SITOP lite Блоки питания серии SITOP compact Блоки питания серии LOGO!Power Блоки питания серии SITOP smart SITOP в исполнении SIMATIC Модульные блоки питания SITOP Специальное исполнение и назначение Дополнительные компоненты Блоки бесперебойного питания DC-UPS Модули DC-UPS со встроенными конденсаторами Модули DC-UPS с модулями батарей DC-UPS 6 А DC-UPS 15 DC UPS 40 A Модуль батарей 1.2 Ачас Модуль батарей 2.5 Ачас Модуль батарей 3.2 Ачас Модуль батарей 7 Ачас Модуль батарей 12 Ачас Аксессуары Блоки питания заказного исполнения Техническая информация и проектирование Семейство SIPLUS SIPLUS DC-UPS, бесперебойные источники питания Миниатюрные блоки питания SIPLUS SITOP power для AS-Interface Трансформаторы, источники питания и системы SIDAC Блоки питания Блоки питания для AS-интерфейса Photovoltaics Продукты для специальных требований Автоматизация зданий Низковольтная коммутационная техника Технология безопасности Системные решения и продукты для отраслей Сервис ... и все, что Вам еще необходимо

  © ООО "СК ЭНЕРГО" 2007-2022
  (4872) 700-366
Яндекс.Метрика