Deprecated: Function eregi() is deprecated in /home/h101150-2/siemens71.ru/docs/new/cat.php on line 184
- 19" rack unit with 4 HU for installation
- in hinged frame
- in cabinets with or without telescopic rails
- Front plate can be swung down for servicing purposes (laptop connection)
- Gas connections for sample gas inlet and outlet as well as combustion gas and combustion air; pipe diameter 6 mm or "
- Gas and electrical connections at the rear
- Internal gas paths: stainless steel (mat. no. 1.4571)
Display and control panel
- Large LCD field for simultaneous display of:
- Measured value
- Status bar
- Measuring ranges
- Contrast of LCD panel adjustable using menu
- Permanent LED backlighting
- Washable membrane keyboard with five softkeys
- Menu-driven operation for parameterization, test functions, adjustment
- User help in plain text
- Graphic display of concentration trend; programmable time intervals
Input and outputs
- One analog output for each measured component
- Two programmable analog inputs
- Six binary inputs freely configurable (e.g. for measurement range switchover, processing of external signals from sample preparation)
- Six relay outputs freely configurable (failure, maintenance request, maintenance switch, limit alarm, external solenoid valves, measuring point switchover)
- Extension with eight additional binary inputs and eight additional relay outputs for autocalibration with up to four calibration gases
Communication
RS 485 present in basic unit (connection from the rear).
Options
- RS 485/RS 232 converter
- RS 485/Ethernet converter
- RS 485/USB converter
- Incorporation in networks via PROFIBUS DP/PA interface
- SIPROM GA software as service and maintenance tool
FIDAMAT 6, membrane keyboard and graphic display
Designs – parts wetted by sample gas
|
Gas path |
Material |
|
Piping |
Stainless steel, mat. no. 1.4571 |
|
Gas inlet |
Stainless steel, mat. no. 1.4571 |
|
Gaskets |
Graphite |
|
Sample gas restrictor |
Quartz |
|
Auxiliary gas restrictors |
Stainless steel, mat. no. 1.4571 |
|
Pump membrane |
PTFE |
|
Pump head |
Stainless steel, mat. no. 1.4571 |
|
Detector |
|
|
Quartz |
|
Stainless steel, mat. no. 1.4571 |
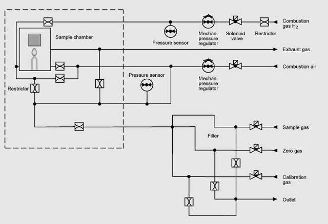
Gas path
FIDAMAT 6 total hydrocarbon analyzer, gas path with pump and with connection for combustion air
FIDAMAT 6 total hydrocarbon analyzer, gas path without pump and with connection for combustion air


