Deprecated: Function eregi() is deprecated in /home/h101150-2/siemens71.ru/docs/new/cat.php on line 184
19" rack unit
- With 4 HU for installation
- in hinged frame
- in cabinets with or without telescopic rails
- Front plate can be swung down for servicing purposes (laptop connection)
- Internal gas paths: hose made of FKM (Viton) or pipe made of titanium or stainless steel (mat. no. 1.4571)
- Gas connections for sample gas inlet and outlet and for reference gas: fittings, pipe diameter of 6 mm or "
- Flow indicator for sample gas on front plate (option)
- Pressure switch in sample gas path for flow monitoring (option)
Field device
- Two-door enclosure with gas-tight separation of analyzer and electronics sections
- Each half of the enclosure can be purged separately
- Analyzer unit and piping can be heated up to 130 °C (option)
- Gas path and stubs made of stainless steel (mat. no. 1.4571) or titanium, Hastelloy C22
- Purging gas connections: pipe diameter 10 mm or 3/8"
- Gas connections for sample gas inlet and outlet and for reference gas: clamping ring connection for a pipe diameter of 6 mm or "
Display and control panel
- Large LCD panel for simultaneous display of:
- Measured value (digital and analog displays)
- Status bar
- Measuring ranges
- Contrast of LCD panel adjustable using menu
- Permanent LED backlighting
- Washable membrane keyboard with five softkeys
- Menu-driven operation for parameterization, test functions, adjustment
- User help in plain text
- Graphic display of concentration trend; programmable time intervals
- Bilingual operating software German/English, English/Spanish, French/English, Spanish/English, Italian/English
Input and outputs
- One analog output per measured component (from 0, 2, 4 to 20 mA; NAMUR parameterizable)
- Two analog inputs configurable (e.g. correction of cross-interference, external pressure sensor)
- Six binary inputs freely configurable (e.g. for measurement range switchover, processing of external signals from sample preparation)
- Six relay outputs freely configurable (failure, maintenance request, maintenance switch, threshold alarm, external magnetic valves)
- Expansion: by eight additional binary inputs and eight additional relay outputs each, e.g. for autocalibration with up to four calibration gases
Communication
RS 485 present in the basic unit (connection at the rear; for the rack unit also behind the front plate).
Options
- AK interface for the automotive industry with extended functions
- RS 485/RS 232 converter
- RS 485/Ethernet converter
- RS 485/USB converter
- Connection to networks via PROFIBUS DP/PA interface
- SIPROM GA software as the service and maintenance tool
OXYMAT 6, membrane keyboard and graphic display
Designs – Parts touched by sample gas, standard
|
Gas path |
19" rack unit |
Field device |
Field device Ex |
|
|---|---|---|---|---|
|
With hoses |
Bushing Hose Sample chamber Fittings for sample chamber Restrictor O-rings |
Stainless steel, mat. no. 1.4571 FKM (e.g. Viton) Stainless steel, mat. no. 1.4571 or Tantalum Stainless steel, mat. no. 1.4571 PTFE (e.g. Teflon) FKM (e.g. Viton) |
- |
- |
|
With pipes |
Bushing Pipe Sample chamber Restrictor O-rings |
Titanium Titanium Stainless steel, mat. no. 1.4571 or Tantalum Titanium FKM (Viton) or FFKM (Kalrez) |
||
|
With pipes |
Bushing Pipe Sample chamber Restrictor O-rings |
Stainless steel, mat. no. 1.4571 Stainless steel, mat. no. 1.4571 Stainless steel, mat. no. 1.4571 or tantalum Stainless steel, mat. no. 1.4571 FKM (Viton) or FFKM (Kalrez) |
||
|
With pipes |
Bushing Pipe Sample chamber Restrictor O-rings |
Hastelloy C 22 Hastelloy C 22 Stainless steel, mat. no. 1.4571 or tantalum Hastelloy C 22 FKM (e.g. Viton) or FFKM (e.g. Kalrez) |
||
Options
|
Flow indicator |
Measurement pipe Variable area Suspension boundary Angle pieces |
Duran glass Duran glass, black PTFE (Teflon) FKM (Viton) |
- |
- |
|---|---|---|---|---|
|
Pressure switch |
Membrane Enclosure |
FKM (Viton) PA 6.3 T |
- |
- |
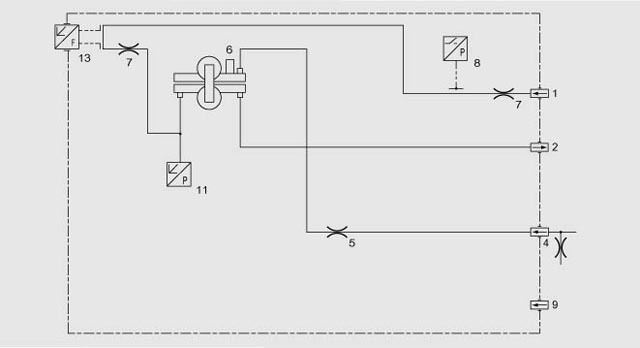
Gas path (19" rack unit)
|
Legend for the gas path figures |
|||
|---|---|---|---|
|
1 |
Sample gas inlet |
8 |
Pressure switch in sample gas path (option) |
|
2 |
Sample gas outlet |
9 |
Purging gas |
|
3 |
Not used |
10 |
Pressure switch in reference gas path (option) |
|
4 |
Reference gas inlet |
11 |
Pressure sensor |
|
5 |
Restrictor in reference gas inlet |
12 |
Filter |
|
6 |
O2 physical system |
13 |
Flow indicator in sample gas path (option) |
|
7 |
Restrictor in sample gas path |
14 |
Outlet restrictor |
Gas path, reference gas connection 1 100 hPa, absolute
Gas path, reference gas connection 3 000 to 5 000 hPa, absolute
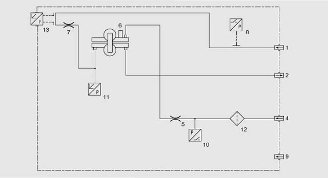
Gas path (field device)
|
Legend for the gas path figures |
|||
|---|---|---|---|
|
1 |
Not used |
8 |
Purging gas inlet (analyzer side) |
|
2 |
Sample gas inlet |
9 |
Pressure sensor |
|
3 |
Reference gas inlet |
10 |
O2 physical system |
|
4 |
Sample gas outlet |
11 |
Restrictor in sample gas path |
|
5 |
Purging gas inlet (electronics side) |
12 |
Flow indicator in reference gas path (option) |
|
6 |
Purging gas outlet (electronics side) |
13 |
Restrictor |
|
7 |
Purging gas outlet (analyzer side) |
14 |
Outlet restrictor |
Gas path, reference gas connection 1 100 hPa, absolute
Gas path, reference gas connection 3 000 to 5 000 hPa, absolute


