Deprecated: Function eregi() is deprecated in /home/h101150-2/siemens71.ru/docs/new/cat.php on line 184
19" rack unit
- 19" rack unit with 4 HU for installation
- in hinged frame
- in cabinets with or without telescopic rails
- Front plate can be swung down for servicing purposes (laptop connection)
- Internal gas paths: hose made of FKM (Viton) or pipe made of titanium or stainless steel
- Gas connections for sample gas inlet and outlet: pipe diameter 6 mm or 1/4"
- Flow indicator for sample gas on front plate (option)
- Sample chamber (OXYMAT channel) – with or without flow-type compensation branch – made of stainless steel (mat. no. 1.4571) or of tantalum for highly corrosive sample gases (e.g. HCl, Cl2, SO2, SO3, etc.)
- Monitoring (option) of sample gas and/or reference gas (both channels)
Display and control panel
- Large LCD panel for simultaneous display of:
- Measured value (digital and analog displays)
- Status bar
- Measuring ranges
- Contrast of LCD panel adjustable using menu
- Permanent LED backlighting
- Washable membrane keyboard with five softkeys
- Menu-driven operation for parameterization, test functions, adjustment
- User help in plain text
- Graphic display of concentration trend; programmable time intervals
- Bilingual operating software:
German/English, English/Spanish, French/English, Italian/English, Spanish/English
Inputs and outputs (per channel)
- One analog output for each measured component
- Two analog inputs freely configurable (e.g. correction of cross-interference or external pressure sensor)
- Six binary inputs freely configurable (e.g. for measurement range switchover, processing of external signals from sample preparation)
- Six relay outputs freely configurable e.g. for fault, maintenance request, limit alarm, external solenoid valves)
- Expansion by eight additional binary inputs and eight additional relay outputs e.g. for autocalibration with up to four calibration gases
Communication
RS 485 present in the basic unit (connection at the rear; for the rack unit also behind the front plate).
Options
- AK interface for the automotive industry with extended functions
- RS 485/RS 232 converter
- RS 485/Ethernet converter
- RS 485/USB converter
- Connection to networks via PROFIBUS DP/PA interface
- SIPROM GA software as the service and maintenance tool
ULTRAMAT/OXYMAT 6, membrane keyboard and graphic display
Designs – Parts touched by sample gas, standard
|
Gas path ULTRAMAT channel |
19" rack unit |
|
|---|---|---|
|
With hoses |
Bushing |
Stainless steel, mat. no. 1.4571 |
|
Hose |
FKM (e.g. Viton) |
|
|
Sample chamber: |
||
|
Aluminum |
|
|
Aluminum |
|
|
Stainless steel, mat. no. 1.4571, O-ring: FKM (e.g. Viton) or FFKM (Kalrez) |
|
|
CaF2, adhesive: E353, O-ring: FKM (e.g. Viton) or FFKM (Kalrez) |
|
|
With pipes |
Bushing |
Titanium |
|
Pipe |
Titanium, O-ring: FKM (e.g. Viton) or FFKM (Kalrez) |
|
|
Sample chamber: |
||
|
Aluminum |
|
|
Tantalum (only for cell length 20 mm to 180 mm) |
|
|
CaF2, adhesive: E353, O-ring: FKM (e.g. Viton) or FFKM (Kalrez) |
|
|
With pipes |
Bushing |
Stainless steel, mat. no. 1.4571 |
|
Pipe |
Stainless steel, mat. no. 1.4571, O-ring: FKM (e.g. Viton) or FFKM (Kalrez) |
|
|
Sample chamber: |
||
|
Aluminum |
|
|
Aluminum or tantalum (Ta: only for cell length 20 mm to 180 mm) |
|
|
CaF2, adhesive: E353, O-ring: FKM (e.g. Viton) or FFKM (Kalrez) |
|
|
Flow indicator |
Measurement pipe |
Duran glass |
|
Variable area |
Duran glass |
|
|
Suspension boundary |
PTFE (Teflon) |
|
|
Angle pieces |
FKM (e.g. Viton) |
|
|
Pressure switch |
Membrane |
FKM (e.g. Viton) |
|
Enclosure |
PA 6.3T |
|
Options
|
Gas path ULTRAMAT channel |
19" rack unit |
|
|---|---|---|
|
Flow indicator |
Measurement pipe |
Duran glass |
|
Variable area |
Duran glass |
|
|
Suspension boundary |
PTFE (Teflon) |
|
|
Angle pieces |
FKM (e.g. Viton) |
|
|
Pressure switch |
Membrane |
FKM (e.g. Viton) |
|
Enclosure |
PA 6.3T |
|
Versions – Parts wetted by sample gas, special applications (examples)
|
Gas path ULTRAMAT channel |
19" rack unit |
|
|---|---|---|
|
With pipes |
Bushing |
e.g. Hastelloy C22 |
|
Pipe |
e.g. Hastelloy C22, O-ring: FKM (e.g. Viton) or FFKM (Kalrez) |
|
|
Sample chamber: |
||
|
e.g. Hastelloy C22 |
|
|
CaF2, without adhesive O-ring: FKM (e.g. Viton) or FFKM (Kalrez) |
|
Designs – Parts touched by sample gas, standard
|
Gas path OXYMAT channel |
19" rack unit |
|
|---|---|---|
|
With hoses |
Bushing Hose Sample chamber Fittings for sample chamber Restrictor O-rings |
Stainless steel, mat. no. 1.4571 FKM (e.g. Viton) Stainless steel, mat. no. 1.4571 or tantalum Stainless steel, mat. no. 1.4571 PTFE (e.g. Teflon) FKM (e.g. Viton) |
|
With pipes |
Bushing Pipe Sample chamber Restrictor O-rings |
Titanium Titanium Stainless steel, mat. no. 1.4571 or Tantalum Titanium FKM (Viton) or FFKM (Kalrez) |
|
With pipes |
Bushing Pipe Sample chamber Restrictor O-rings |
Stainless steel, mat. no. 1.4571 Stainless steel, mat. no. 1.4571 Stainless steel, mat. no. 1.4571 or Tantalum Stainless steel, mat. no. 1.4571 FKM (Viton) or FFKM (Kalrez) |
|
With pipes |
Bushing Pipe Sample chamber Restrictor O-rings |
Hastelloy C 22 Hastelloy C 22 Stainless steel, mat. no. 1.4571 or Tantalum Hastelloy C 22 FKM (e.g. Viton) or FFKM (e.g. Kalrez) |
Options
|
Gas path ULTRAMAT channel |
19" rack unit |
|
|---|---|---|
|
Flow indicator |
Measurement pipe |
Duran glass |
|
Variable area |
Duran glass |
|
|
Suspension boundary |
PTFE (Teflon) |
|
|
Angle pieces |
FKM (e.g. Viton) |
|
|
Pressure switch |
Membrane |
FKM (e.g. Viton) |
|
Enclosure |
PA 6.3T |
|
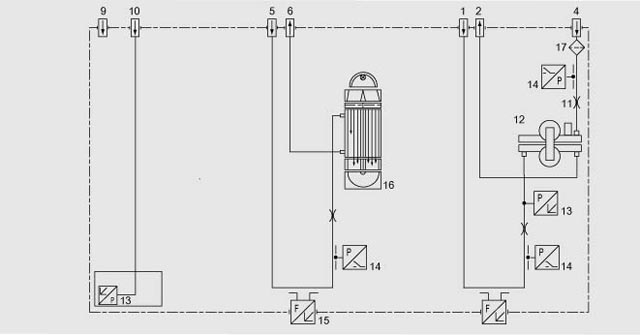
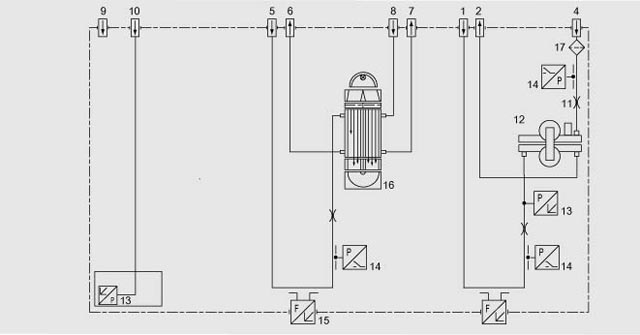
Gas path
|
Legend for the gas path figures |
|||
|---|---|---|---|
|
1 |
Sample gas inlet (OXYMAT channel) |
10 |
Connection of pressure sensor (ULTRAMAT channel) |
|
2 |
Sample gas outlet (OXYMAT channel) |
11 |
Restrictor (in reference gas inlet) |
|
3 |
Not used |
12 |
O2 physical system |
|
4 |
Reference gas inlet |
13 |
Pressure sensor |
|
5 |
Sample gas inlet (ULTRAMAT channel) |
14 |
Pressure switch in sample gas path (option) |
|
6 |
Sample gas outlet (ULTRAMAT channel) |
15 |
Flow indicator in sample gas path (option) |
|
7 |
Reference gas outlet (ULTRAMAT channel, option) |
16 |
IR physical system |
|
8 |
Reference gas inlet (ULTRAMAT channel, option) |
17 |
Filter |
|
9 |
Purging gas |
18 |
Pressure switch (reference gas) (option) |
ULTRAMAT/OXYMAT 6, gas path (example) IR channel without flow-type reference side
ULTRAMAT/OXYMAT 6, gas path (example) IR channel with flow-type reference side


