Deprecated: Function eregi() is deprecated in /home/h101150-2/siemens71.ru/docs/new/cat.php on line 184
19" rack unit
- 19" rack unit with 4 HU for installation
- in hinged frame
- in cabinets with or without telescopic rails
- Front plate for service purposes can be pivoted down (laptop connection)
- Internal gas paths: hose made of FKM (Viton) or pipe made of titanium or stainless steel
- Gas connections for sample gas inlet and outlet: pipe diameter 6 mm or 1/4"
- Flow indicator for sample gas on front plate (option)
- Pressure switch in sample gas path for flow monitoring (option)
Field device
- Two-door enclosure with gas-tight separation of analyzer and electronics sections from gas path
- Individually purgeable enclosure halves
- Parts in contact with sample gas can be heated up to 65 °C (option)
- Gas path: hose made of FKM (Viton) or pipe made of titanium or stainless steel (further materials possible as special applications)
- Gas connections for sample gas inlet and outlet: pipe union for pipe diameter 6 mm or 1/4"
- Purging gas connections: pipe diameter 10 mm or 3/8"
Display and control panel
- Large LCD field for simultaneous display of:
- Measured value (digital and analog displays)
- Status bar
- Measuring ranges
- Contrast of the LCD field adjustable via the menu
- Washable membrane keyboard with five softkeys
- Menu-driven operator control for parameterization, test functions, adjustment
- Operator support in plain text
- Graphic display of concentration trend; programmable time intervals
- Bilingual operating software:
German/English, English/Spanish, French/English, Spanish/English, Italian/English
Input and outputs
- One analog output per medium (from 0, 2, 4 to 20 mA; NAMUR parameterizable)
- Two analog inputs freely configurable (e.g. correction of cross-interferences or external pressure sensor)
- Six binary inputs freely configurable (e.g. measurement range changeover, processing of external signals from the sample preparation)
- Six relay outputs freely configurable e.g. for fault, maintenance request, limit alarm, external solenoid valves)
- Expansion by eight additional binary inputs and eight additional relay outputs e.g. for autocalibration with up to four test gases
Communication
RS 485 present in the basic unit (connection at the rear; for the rack unit also behind the front plate).
Options
- AK interface for the automotive industry with extended functions
- RS 485/RS 232 converter
- RS 485/Ethernet converter
- RS 485/USB converter
- Connection to networks via PROFIBUS DP/PA interface
- SIPROM GA software as the service and maintenance tool
ULTRAMAT 6, membrane keyboard and graphic display
Designs – Parts wetted by sample gas, standard
|
Gas path |
19" rack unit |
Field device |
Field device Ex |
|
|---|---|---|---|---|
|
With hoses |
Bushing |
Stainless steel, mat. no. 1.4571 |
- |
|
|
Hose |
FKM (e.g. Viton) |
|||
|
Sample chamber: |
||||
|
Aluminum |
|||
|
Aluminum |
|||
|
Stainless steel, mat. no. 1.4571, O-ring: FKM (e.g. Viton) or FFKM (Kalrez) |
|||
|
CaF2, adhesive: E353, O-ring: FKM (e.g. Viton) or FFKM (Kalrez) |
|||
|
With pipes |
Bushing |
Titanium |
||
|
Pipe |
Titanium, O-ring: FKM (e.g. Viton) or FFKM (Kalrez) |
|||
|
Sample chamber: |
||||
|
Aluminum |
|||
|
Tantalum (only for cell length 20 mm to 180 mm) |
|||
|
CaF2, adhesive: E353, O-ring: FKM (e.g. Viton) or FFKM (Kalrez) |
|||
|
With pipes |
Bushing |
Stainless steel, mat. no. 1.4571 |
||
|
Pipe |
Stainless steel, mat. no. 1.4571, O-ring: FKM (e.g. Viton) or FFKM (Kalrez) |
|||
|
Sample chamber: |
||||
|
Aluminum |
|||
|
Aluminum or tantalum (tantalum only for cell length 20 mm to 180 mm) |
|||
|
CaF2, adhesive: E353, O-ring: FKM (e.g. Viton) or FFKM (Kalrez) |
|||
Options
|
Gas path |
19" rack unit |
Field device |
Field device Ex |
|
|---|---|---|---|---|
|
Flow indicator |
Measurement pipe |
Duran glass |
- |
- |
|
Variable area |
Duran glass |
|||
|
Suspension boundary |
PTFE (Teflon) |
|||
|
Angle pieces |
FKM (e.g. Viton) |
|||
|
Pressure switch |
Membrane |
FKM (e.g. Viton) |
- |
- |
|
Enclosure |
PA 6.3T |
|||
Versions – Parts wetted by sample gas, special applications (examples)
|
Gas path |
19" rack unit |
Field device |
Field device Ex |
|
|---|---|---|---|---|
|
With pipes |
Bushing |
e.g. Hastelloy C22 |
||
|
Pipe |
e.g. Hastelloy C22, O-ring: FKM (e.g. Viton) or FFKM (Kalrez) |
|||
|
Sample chamber: |
||||
|
e.g. Hastelloy C22 |
|||
|
CaF2, without adhesive O-ring: FKM (e.g. Viton) or FFKM (Kalrez) |
|||
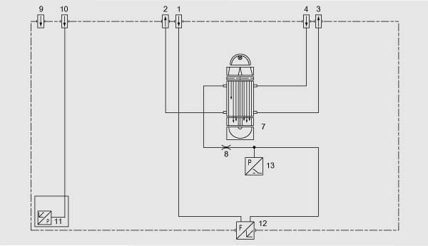
Gas path (19" rack unit)
|
Legend for the gas path figures |
|||
|---|---|---|---|
|
1 |
Sample gas inlet channel 1 |
8 |
Restrictor |
|
2 |
Sample gas outlet channel 1 |
9 |
Purge gas inlet |
|
3 |
Reference gas outlet (option) |
10 |
Gas inlet atmospheric pressure sensor |
|
4 |
Reference gas inlet (option) |
11 |
Atmospheric pressure sensor |
|
5 |
Sample gas inlet channel 2 |
12 |
Flow indicator in sample gas path (option) |
|
6 |
Sample gas outlet channel 2 |
13 |
Pressure switch in sample gas path (option) |
|
7 |
IR physical system |
||
Gas path ULTRAMAT 6, single-channel unit, 19" unit, with flow-type reference cell (option)
Gas path ULTRAMAT 6, dual-channel unit, 19" unit
Gas path (field device)
|
Legend for the gas path figures |
|||
|---|---|---|---|
|
1 |
Sample gas inlet |
7 |
Purging gas outlet (analyzer side) |
|
2 |
Sample gas outlet |
8 |
Purging gas inlet (analyzer side) |
|
3 |
Reference gas inlet (option) |
9 |
Connection of atmospheric pressure sensor |
|
4 |
Reference gas outlet (option) |
10 |
IR physical system |
|
5 |
Purging gas inlet (electronics side) |
11 |
Atmospheric pressure sensor |
|
6 |
Purging gas outlet (electronics side) |
||
Gas path ULTRAMAT 6, field unit, with flow-type reference cell (option)


