Deprecated: Function eregi() is deprecated in /home/h101150-2/siemens71.ru/docs/new/cat.php on line 184
- 19" rack unit with 4 HU for installation
- in hinged frame
- in cabinets, with or without telescopic rails
- Flow indicator for sample gas on front plate;
option: integrated sample gas pump (standard for bench-top version) - Gas connections for sample gas inlet and outlet as well as zero gas; pipe diameter 6 mm or "
- Gas and electrical connections at the rear (portable version: sample gas inlet at front)
Display and control panel
- Operation based on NAMUR recommendation
- Simple, fast parameterization and commissioning of analyzer
- Large, backlit LCD for measured values
- Menu-driven inputs for parameterization, test functions and calibration
- Washable membrane keyboard
- User help in plain text
- 6-language operating software
Inputs/outputs
- Three binary inputs for sample gas pump On/Off, triggering of AUTOCAL and synchronization of several devices
- Eight relay outputs can be freely configured for fault, maintenance request, maintenance switch, limits, measuring range identification and external solenoid valves
- Eight additional binary inputs and relay outputs as an option
- Galvanically isolated analog outputs
Communication
RS 485 present in basic unit (connection from the rear).
Options
- RS 485/RS 232 converter
- RS 485/Ethernet converter
- RS 485/USB converter
- Incorporation in networks via PROFIBUS DP/PA interface
- SIPROM GA software as service and maintenance tool
ULTRAMAT 23, membrane keyboard and graphic display
Designs – parts wetted by sample gas
|
Gas path |
19" rack unit |
Desktop unit |
|
|---|---|---|---|
|
With hoses |
Condensation trap/gas inlet |
- |
PA (polyamide) |
|
Condensation trap |
- |
PE (polyethylene) |
|
|
Gas connections 6 mm |
PA (polyamide) |
PA (polyamide) |
|
|
Gas connections " |
Stainless steel, mat. no. 1.4571 |
Stainless steel, mat. no. 1.4571 |
|
|
Hose |
FPM (Viton) |
FPM (Viton) |
|
|
Pressure switch |
FPM (Viton) + PA6-3-T (Trogamide) |
FPM (Viton) + PA6-3-T (Trogamide) |
|
|
Flowmeter |
PDM/Duran glass/X10CrNiTi1810 |
PDM/Duran glass/X10CrNiTi1810 |
|
|
Elbows/T-pieces |
PA6 |
PA6 |
|
|
Internal pump, option |
PVDF/PTFE/EPDM/FPM/Trolene/ stainless steel, mat. no. 1.4571 |
PVDF/PTFE/EPDM/FPM/Trolene/ stainless steel, mat. no. 1.4571 |
|
|
Solenoid valve |
FPM70/Ultramide/ stainless steel, mat. no. 1.4310/1.4305 |
FPM70/Ultramide/ stainless steel, mat. no. 1.4310/1.4305 |
|
|
Safety condensation trap |
PA66/NBR/PA6 |
PA66/NBR/PA6 |
|
|
Analyzer chamber |
|||
|
Aluminum |
Aluminum |
|
|
Aluminum |
Aluminum |
|
|
Stainless steel, mat. no. 1.4571 |
Stainless steel, mat. no. 1.4571 |
|
|
CaF2 |
CaF2 |
|
|
E353 |
E353 |
|
|
FPM (Viton) |
FPM (Viton) |
|
|
With pipes, only available in version "without pump" |
Gas connections 6 mm / " |
Stainless steel, mat. no. 1.4571 |
|
|
Pipes |
Stainless steel, mat. no. 1.4571 |
||
|
Analyzer chamber |
|||
|
Aluminum |
||
|
Aluminum |
||
|
Stainless steel, mat. no. 1.4571 |
||
|
CaF2 |
||
|
E353 |
||
|
FPM (Viton) |
ULTRAMAT 23, design
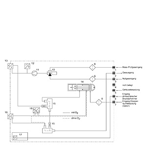
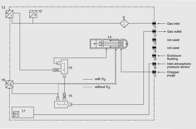
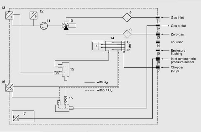
Gas path
|
Legend for the gas path figures |
|||
|---|---|---|---|
|
1 |
Inlet for sample gas/calibration gas |
10 |
Solenoid valve |
|
2 |
Gas outlet |
11 |
Sample gas pump |
|
3 |
Inlet for AUTOCAL/zero gas or |
12 |
Pressure switch |
|
13 |
Flow indicator |
||
|
4 |
Gas outlet (channel 2) |
14 |
Analyzer unit |
|
5 |
Enclosure flushing |
15 |
Safety condensation trap |
|
6 |
Inlet of atmospheric pressure sensor |
16 |
Oxygen sensor (electrochemical) |
|
7 |
Inlet of chopper compartment flushing |
17 |
Atmospheric pressure sensor |
|
8 |
Condensation trap with filter |
18 |
Hydrogen sulfide sensor |
|
9 |
Safety fine filter |
19 |
Oxygen measuring cell (paramagnetic) |
ULTRAMAT 23, portable, in sheet-steel housing with internal sample gas pump, condensation trap with safety filter on front plate, optional oxygen measurement
ULTRAMAT 23, 19" rack unit enclosure with internal sample gas pump, optional oxygen measurement
ULTRAMAT 23, 19" rack unit enclosure without internal sample gas pump, optional oxygen measurement
ULTRAMAT 23, 19" rack unit enclosure without internal sample gas pump, with separate gas path for the 2nd measured component or for the 2nd and 3rd measured components, optional oxygen measurement
ULTRAMAT 23, 19" rack unit enclosure, sample gas path version in pipes, optional separate gas path, always without sample gas pump, without safety filter and without safety condensation trap
ULTRAMAT 23, 19" rack unit enclosure with internal sample gas pump and H2S sensor
ULTRAMAT 23, 19" rack unit enclosure with internal sample gas pump and paramagnetic oxygen measurement


