Deprecated: Function eregi() is deprecated in /home/h101150-2/siemens71.ru/docs/new/cat.php on line 184
SONO 3000/3300 CT (версия IP67), электрическое подключение
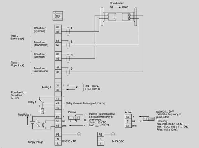
SONO 3000/3300 CT (настенный монтаж), электрическое соединение


SONO 3000/3300 CT (версия IP67), электрическое подключение
SONO 3000/3300 CT (настенный монтаж), электрическое соединение
|
© ООО "СК ЭНЕРГО" 2007-2022 (4872) 700-366 |
|