Deprecated: Function eregi() is deprecated in /home/h101150-2/siemens71.ru/docs/new/cat.php on line 184
|
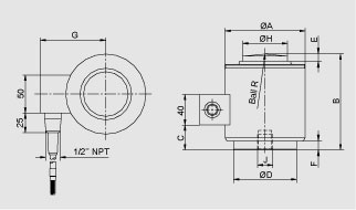
Номинальная нагрузка |
OA |
B |
C |
OD |
E |
F |
G |
OH |
J |
R шарика |
|---|---|---|---|---|---|---|---|---|---|---|
|
10 т, 25 т |
73,0 |
82,5 |
12,0 |
58,0 |
6,5 |
1,8 |
64,0 |
31,8 |
M12x1,75 глубина 11 |
152 |
|
40 т, 60 т |
105,0 |
127,0 |
34,0 |
82,5 |
8,0 |
11,0 |
87,5 |
58,7 |
M20x2,5 глубина 20 |
152 |
|
100 т |
152,4 |
184,2 |
72,3 |
123,8 |
23,6 |
21,8 |
108,2 |
79,2 |
M20x2,5 глубина 20 |
432 |
Весоизмерительная ячейка SIWAREX R, серия CC, размеры


