Deprecated: Function eregi() is deprecated in /home/h101150-2/siemens71.ru/docs/new/cat.php on line 184
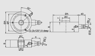
|
Номинальная нагрузка |
OA |
B |
OC |
OD |
E |
OF |
G |
макс. момент |
K |
|---|---|---|---|---|---|---|---|---|---|
|
60 кг, 130 кг, 280 кг |
63 |
22 |
15,1 |
3,2 |
15 |
55,5 |
M5 |
8 Нм |
34 |
|
0,5 т, 1 т |
80 |
25 |
19 |
M10 |
- |
70 |
M6 |
14 Нм |
17,5 |
|
2 т, 3,5 т, 5 т |
80 |
30 |
19 |
15H7 |
- |
70 |
M6 |
14 Нм |
17,5 |
|
10 т |
95 |
35 |
29,1 |
24,9 |
- |
- |
- |
- |
17,5 |
|
13 т |
95 |
35 |
29,1 |
24,9 |
20 |
- |
- |
- |
40 |
|
28 т |
120 |
46 |
35,9 |
- |
25 |
- |
- |
- |
- |
|
60 т |
140 |
62 |
47,9 |
34 |
- |
- |
- |
- |
Весоизмерительная ячейка SIWAREX R серии RN, размеры


