Deprecated: Function eregi() is deprecated in /home/h101150-2/siemens71.ru/docs/new/cat.php on line 184
Синхронизация
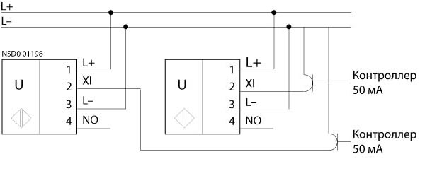
Функция NO
Внешний мультиплексерный режим
Функция NO
Внутренний мультиплексерный режим (аналоговый выход)
Функция NO
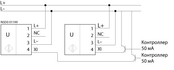
Функция NС
Функция NС
Функция NС


