Siemens
СРЕДСТВА ПРОМЫШЛЕННОЙ АВТОМАТИЗАЦИИ
официальный партнер Сименс
Каталог СА01 2012
архивный
(4872) 700-366
skenergo@mail.ru
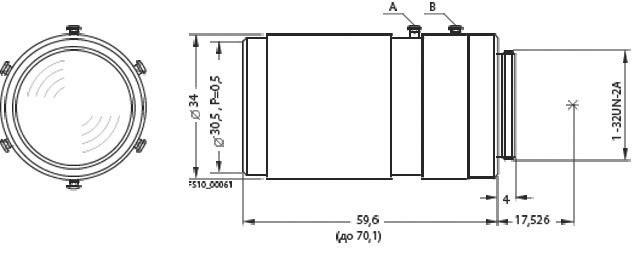
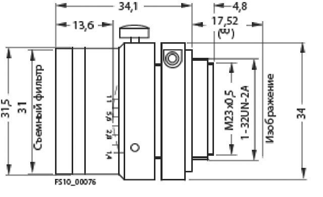
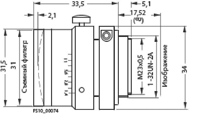
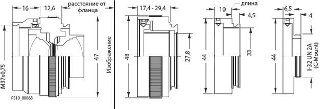
Объективы

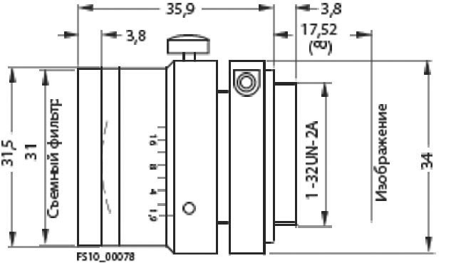
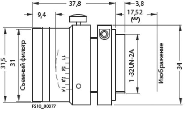
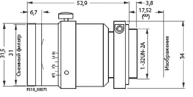
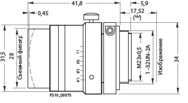
Линза 6GF9 001-1BL01:

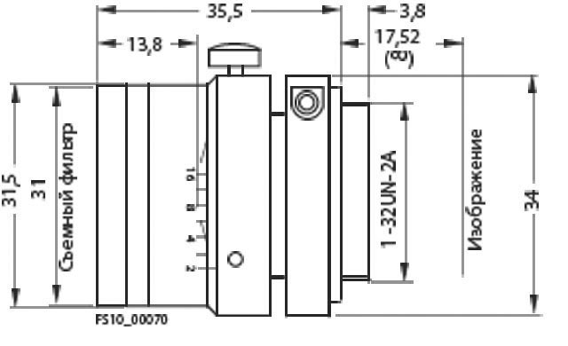
Линза 6GF9 001-1BF01:

Линза 6GF9 001-1BG01:

Линза 6GF9 001-1BH01:

Линза 6GF9 001-1BJ01:

Линза 6GF9 001-1BE01:

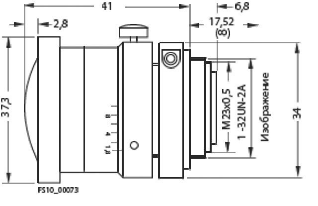
Линза 6GF9 001-1AQ:

Линза 6GF9 001-1AU:

Линза 6GF9 001-1AV:

Линза 6GF9 001-1AE:

Линза 6GF9 001-1AJ:

Линза 6GF9 001-1AK:

Линза 6GF9 001-1AL:

Линза 6GF9 001-1AF:

Фильтры 6GF9 001-2AC, 6GF9 001-2AB, 6GF9 001-2AA:

Макроинтерфейс 6GF9 001-1AN:

Набор промежуточных колец Pentax 6GF9 001-1BU:

Макросистема 6GF9 001-1AN:























































Каталог оборудования 2012
Каталог продуктов Siemens Industry Приводная техника Техника автоматизации Системы автоматизации Системы визуализации SIMATIC HMI Системы идентификации Системы идентификации MOBY Системы машинного зрения SIMATIC Machine Vision Стационарные системы считывания кодов SIMATIC MV420 SIMATIC MV440 SIMATIC VS 130-2 Объективы Интерфейсные модули Ручные системы считывания Проверочные системы Оптическое распознавание символов (OCR) Датчики зрения Дополнительное оборудование Промышленные коммуникации SIMATIC NET Промышленные аппараты управления SIRIUS Промышленные информационные технологии Управление на базе РС Системы управления процессом Датчики Блоки питания Продукты для специальных требований Автоматизация зданий Низковольтная коммутационная техника Технология безопасности Системные решения и продукты для отраслей Сервис ... и все, что Вам еще необходимо

  © ООО "СК ЭНЕРГО" 2007-2022
  (4872) 700-366
Яндекс.Метрика