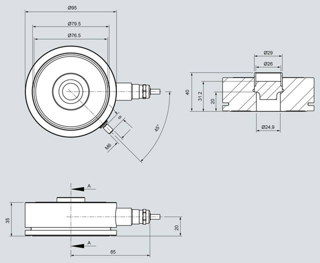
Датчик веса SIWAREX WL280 RN-S SA (60 kg, 130 kg, 280 kg), размеры в мм
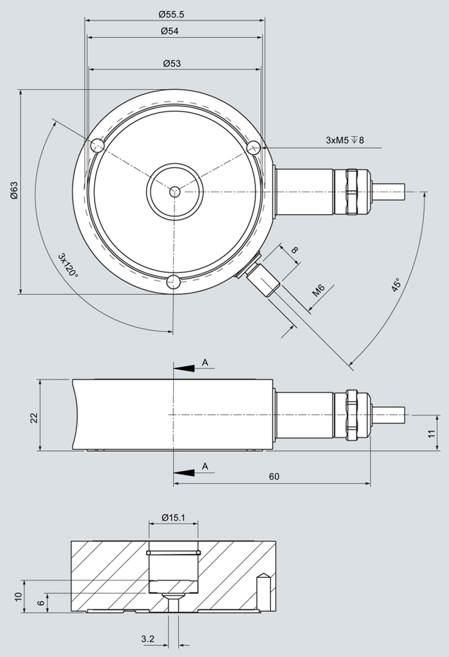
Датчик веса SIWAREX WL280 RN-S SA (0,5 t, 1 t), размеры в мм
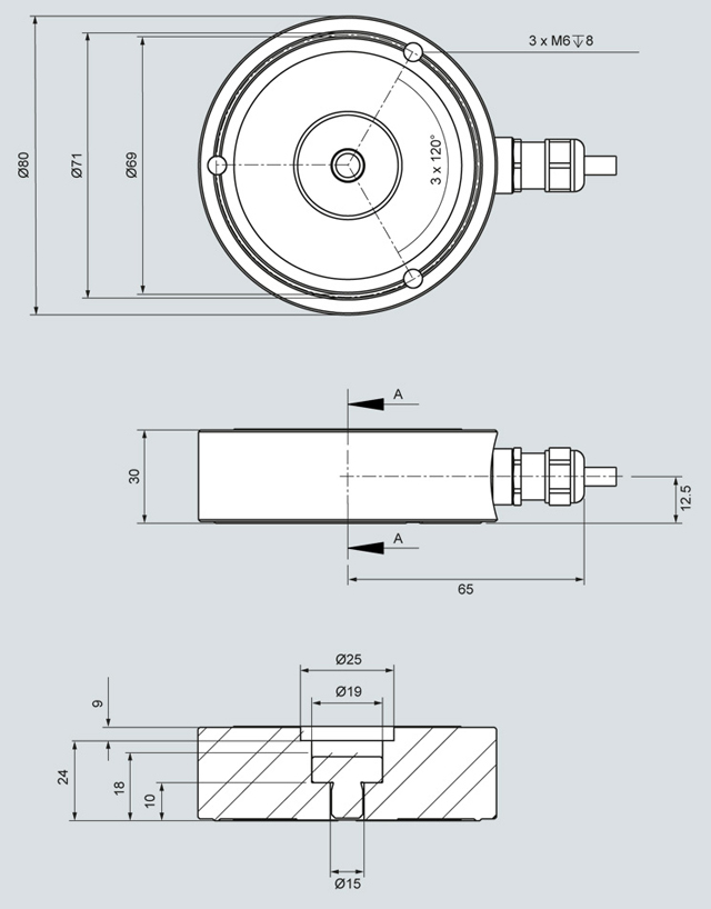
Датчик веса SIWAREX WL280 RN-S SA (2 t, 3 t, 5 t), размеры в мм
Датчимк веса SIWAREX WL280 RN-S SA (10 t), размеры в мм
Датчик веса SIWAREX WL280 RN-S SA (13 t), размеры в мм
|
Rated load |
OA |
B |
C |
D |
E |
OF |
OG |
OH |
R |
|---|---|---|---|---|---|---|---|---|---|
|
28 t |
35.9 |
25 |
94 |
46 |
53 |
120 |
102 |
98 |
R400 |
|
60 t |
47.9 |
34 |
105 |
62 |
69 |
140 |
124 |
120 |
R600 |
Датчик веса SIWAREX WL280 RN-S SA (28 t, 60 t), размеры в мм


