Контакторы предназначены для работы в электроустановках, которые подвержены значительным колебаниям напряжения управления и высокой температуре окружающей среды, например, на железнодорожном транспорте, в экстремальных климатических условиях, на прокатных станах и т.д.
Также для контроля напряжения питания аккумуляторных батарей с целью продления времени работы, если заряд батареи не представляется возможным.
Контакторные реле без последовательного резистора
Цепи управления и вспомогательные
Эти контакторные реле имеют расширенный рабочий диапазон от 0.7 до 1.25 x Us; Катушки стандартно снабжаются помехоподавляющими диодами. Дополнительный последовательный резистор не требуется.
Примечание:
Дополнительный блок вспомогательных выключателей не требуется.
Установка рядом друг с другом
При температуре > 60 °C 70 °C для установки рядом друг с другом требуется обеспечить зазор между контакторами 10 мм.
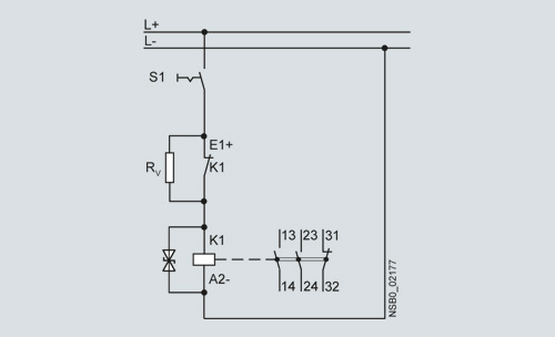
Контакторные реле с последовательным резистором
Цепи управления и вспомогательные
Контакторные реле с магнитной системой постоянного тока модифицируются посредством включения последовательного резистора.
Контакторные реле типоразмера S00 поставляются предварительно соединенными с втычным модулем, содержащим последовательный резистор. Помехоподавляющий диод также интегрирован. 4-полюсный блок вспомогательных контактов (в соответствии с EN 50005) может быть установлен дополнительно.
Установка рядом друг с другом
Если температура окружающей среды не превышает 70°C, контакторные реле типоразмера S00 допускают установку рядом друг с другом.


